Regulador de tensão de média tensão
O regulador de tensão de média tensão é um equipamento instalado em redes aéreas de distribuição de energia e subestações que tem por finalidade medir, corrigir e regular a tensão de saída de um circuito elétrico, mantendo-a constante independente da tensão de entrada.
Na prática cada regulador de tensão regula sua própria fase nos sistemas monofásicos e trifásicos. Assim, teremos estruturas de postes que utilizam 2 ou 3 tanques, sendo que este conjunto é denominado banco de reguladores de tensão.

Histórico
A aplicação de reguladores de tensão nos sistemas de distribuição de energia elétrica de média tensão teve início na década de 1940. Nos países desenvolvidos, principalmente nos Estados Unidos, em função da sua grande extensão territorial, onde os centros de consumo estão espalhados por vastas áreas, distantes dos pontos de geração e aliado a isso o aparecimento de grande quantidade de novos aparelhos eletro-eletrônicos sensíveis a oscilações de tensão, fez aumentarem as reclamações dos consumidores, que passaram a exigir boa qualidade na distribuição de energia elétrica. Por conta disso, hoje se encontram instalados em vários pontos daquele país, dezenas de milhares de reguladores, fornecendo aos pontos de consumo uma regulação de tensão adequada e conferindo qualidade ao fornecimento de energia.

Vantagens
Os reguladores de tensão trazem basicamente 3 conseqüências benéficas:
- Satisfação do consumidor;
- Redução das perdas na distribuição;
- Aumento do faturamento das concessionárias de energia elétrica
Princípio de funcionamento
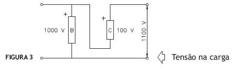
O princípio de funcionamento do regulador de tensão é similar ao de um autotransformador, ou seja, existe além do acoplamento magnético entre o primário e o secundário um acoplamento elétrico. Existem 2 possibilidades de funcionamento: elevador (Figura 3) ou abaixador (Figura 4).
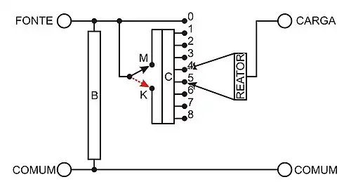
Adicionando taps a bobina "C" como mostra a Figura 5, passamos a ter degraus de tensão. Utiliza-se um reator para que não exista interrupção do circuito enquanto existe transição entre os taps.
Figura 5. Regulador de Tensão tipo A.
O enrolamento 1, chamado de enrolamento de excitação (enrolamento B), induz uma tensão no enrolamento 2 (enrolamento C), também conhecido por enrolamento de taps ou regulação. Na figura 6, o TP4 (transformador de potencial) instalado do lado da carga, envia um sinal para o controle regulador de tensão que posiciona os terminais A e B do reator 3 na posição adequada para manter a tensão na carga constante. A chave inversora de polaridade determinará se o regulador elevará ou diminuirá a tensão, sendo que o seu controle é feito pelo controle regulador. O TC5 (transformador de corrente) instalado do lado da carga enviará ao controle regulador um sinal de carregamento da linha, possibilitando a compensação de quedas de tensão que ocorram no sistema.

Figura 6. Regulador de Tensão tipo A.
Na prática, no momento da comutação de taps do equipamento, automaticamente a chave seletora de raise ou lower irá permutar através de contatos eletromecânicos (dedos móveis) entre os modos elevador ou abaixador internamente no RT.
Tipos de Comandos
Cada modelo de regulador de tensão possui suas particularidades, porém operam basicamente sempre da mesma forma. O modelos mais antigos utilizavam interface com botões e ajustes eletromecânicos mais robustos. Atualmente utilizam-se controles eletrônicos com comando de funções e que possibilitam descarregar ajustes diretamente através de interfaces seriais.
Além disso existem os chamados comandos individuais, onde cada tanque opera de modo singular e os comandos únicos, no qual um dos tanques é o "tanque mestre" e os outros comutam em conjunto no modo escravo. O comando único é utilizado quando o carregamento de uma ou duas fases são muito divergentes entre si.
Tipos de Ligações
Os reguladores de tensão para média e alta tensão possuem 3 buchas, denominadas:
- "S" ou "F" - bucha de entrada (fonte)
- "L" ou "C" - bucha de saída (carga)
- "S-L" ou "F-C" - bucha comum (comum, normalmente aterrada)
Existem 3 tipos de ligações utilizadas para os Bancos de Reguladores de Tensão (BRT's). São elas:
Ligação Estrela

Ligação Delta Fechado

Ligação Delta Aberto

Instalação
Os reguladores de tensão são geralmente instalados nos postes de uma rede aérea de distribuição de energia de uma determinada região, por exemplo, em uma zona rural, que é um local onde a tensão fica abaixo da ideal para manter aparelhos e outros objetos funcionando normalmente, causando perda significativa de tensão, oscilações e até mesmo quedas de energia, provocando curto-circuito e defeitos em vários equipamentos. Neste caso é instalado os reguladores de tensão, que irão corrigir e regular a energia até a tensão ideal desejada antes de serem removidos e reinstalados em outra rede aérea que esteja com problema.
Referências
- Manual de Instruções para Reguladores de Tensão Monofásicos Toshiba. Toshiba do Brasil S.A.
- ITB Equipamentos Elétricos, Manual de Instruções, Regulador Monofásico de Tensão, www.itb.ind.br.
Ver também
- Lei de Faraday-Neumann-Lenz
- Autotransformador
- Chave seccionadora
- Religador
- Seccionalizador
- Comutador de carga
- Transformador de potencial
- Transformador de corrente
- Regulador de tensão