Transformador de corrente

Um transformador de corrente (abreviadamente TC) é um equipamento que reproduz, no seu circuito secundário, a corrente que circula em um enrolamento primário, com sua posição vetorial substancialmente mantida, em uma proporção definida, conhecida e adequada. Os transformadores de corrente, também chamados de transformadores de instrumentos, utilizados em aplicações de alta tensão (onde circulam, frequentemente, baixas correntes), fornecem correntes suficientemente reduzidas e isoladas do circuito primário de forma a possibilitar o seu uso por equipamentos de medição, controle e proteção.
Simbologia e Convenções

A simbologia padrão dos transformadores de corrente (TCs) mostra os terminais primários de alta tensão H1 e H2 e os terminais secundários X1 e X2. O ponto, para transformadores com polaridade aditiva, indica onde entra a corrente no primário e onde sai a corrente no secundário (defasamento de 180°).
Modelos industriais de TCs têm os terminais de alta tensão marcados como P1 e P2 (Primário 1 e Primário 2), sendo que em muitos casos pode haver diferentes ligações do circuito primário que permitam alterar a relação de transformação. Os terminais secundários são marcados como 1s1, 1s2, 2s2... (número, algarismo, número), indicando respectivamente o número do enrolamento, o símbolo de terminal secundário (s) e o número da derivação do terminal secundário.
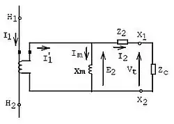
Circuito Equivalente
O circuito equivalente aproximado para um transformador de corrente é mostrado na figura ao lado, onde a transformação da corrente entre os circuitos primário e secundário é feita sem perdas. A impedância de dispersão do primário Z1 é multiplicada pelo quadrado da relação N² quando referida ao secundário.
Z2. Os componentes de perdas no núcleo por correntes parasitas e por magnetização são dados por Zm e a impedância de carga é dada por Zc.

Este circuito generalizado pode ser simplificado como mostrado no esquema ao lado. A impedância primária Z1 pode ser desprezada, uma vez que o reduzido número de espiras no primário (o que é verdadeiro para a maioria dos TCs comerciais) tem pequena resistência e pouca dispersão. A corrente através do ramo magnetizante Xm é Im, chamada corrente de excitação. A corrente de excitação é atrasada de 90° em relação a V1'.
Tipos construidos
São classificados de acordo com o modelo do enrolamento primário, já que o enrolamento secundário é constituído por uma bobina com derivações (taps) ou múltiplas bobinas ligadas em série e/ou paralelo, para se obter diferentes relações de transformação. Quanto aos tipos construtivos, os TCs mais comuns, são:
- Tipo Enrolado
Este tipo é usado quando são requeridas relações de transformações inferiores a 200/5
tipo Barra
Transformador de corrente cujo enrolamento primário é constituído por uma barra.
- Tipo Bucha
Consiste de um núcleo em forma de anel (núcleo toroidal), com enrolamentos secundários.
- Tipo Janela
Tem construção similar ao tipo bucha, sendo que o meio isolante entre o primário e o secundário é o ar.
- Tipo Núcleo Dividido
Transformador de corrente tipo janela em que parte do núcleo é separável ou basculante.
- Tipo com vários enrolamentos primários
Transformador de corrente com vários enrolamentos primários distintos e isolados separadamente.
- Tipo com vários núcleos
Transformador de corrente com vários enrolamentos secundários isolados separadamente e montados cada um em seu próprio núcleo, formando um conjunto com um único enrolamento primário, cujas espiras (ou espira) enlaçam todos os secundários.
Classificação

Os transformadores de corrente são classificados em dois tipos:
- Transformadores de Corrente para serviços de medição
Utilizados para medição de correntes em alta tensão, possuem características de boa precisão (ex.: 0,3%-0,6% de erro de medição) e baixa corrente de saturação (4 vezes a corrente nominal).
- Transformadores de Corrente para serviços de proteção
Utilizados para proteção de circuitos de alta tensão, são caracterizados pela baixa precisão (ex.: 3% de erro de medição) e elevada corrente de saturação (da ordem de 20 vezes a corrente nominal).
Modo de ligação
O modo de ligação é extremamente importante, pois se ligado de maneira errada o transformador irá sofrer danos irrecuperáveis.
A ligação dos terminais deve ser feita da seguinte maneira:
- Primário: a bobina deve ser ligada uma fase;
- Secundário: os terminais devem ser ligados em curto-circuito (impedância nula), caso contrário, terá um circuito aberto que irá saturar o TC e danificá-lo.