Regulador de tensão
Um regulador de tensão é um dispositivo, geralmente formado por semicondutores, tais como diodos e circuitos integrados, que tem por finalidade a manutenção da tensão de saída de um circuito elétrico. Sua função principal é manter a tensão produzida pelo gerador dentro dos limites exigidos pela bateria ou sistema elétrico que está alimentando. Um regulador de tensão é incapaz de gerar energia. A tensão de entrada deve ser sempre superior à sua tensão de regulagem nominal. Dependendo do projeto, ele pode ser usado para regular uma ou mais tensões AC ou DC.
Reguladores de tensão são encontrados em dispositivos como fontes de alimentação variadas, em alternadores automotivos e centrais de usinas elétricas, nesse último caso o regulador de tensão é utilizado para distribuir uma tensão constante para todos os clientes.
Regulador de Tensão por meio de Circuitos Integrados (CI)

O regulador de tensão mantém a tensão de saída constante mesmo havendo mudanças na tensão de entrada ou na corrente de saída. O regulador de tensão pode ser projetado com componentes discretos ou podem ser adquiridos na forma de circuitos integrados (CI), estes por sua vez são mais precisos e ocupam menor espaço por serem mais compactos.
Há vários tipos de reguladores de tensão no mercado atualmente, entre eles pode-se citar os circuitos integrados (CIs) da série 78XX que são utilizados para tensões positiva e os da série 79XX que são utilizados para tensões negativas.
Pode-se notar na tabela a seguir as principais características dos reguladores da série 78XX e 79XX:
| REGULADORES DE TENSÃO 78XX - 79XX | ||||
|---|---|---|---|---|
| Código | Tensão máxima a
aplicar na entrada (E) |
Tensão de saída (S)
regulada |
Corrente máxima na saída | |
| Positivo | Negativo | |||
| 7805 | 7905 | 35V | 5V | 1A |
| 7806 | 7906 | 35V | 6V | 1A |
| 7809 | 7909 | 35V | 9V | 1A |
| 7810 | 7910 | 35V | 10V | 1A |
| 7812 | 7912 | 35V | 12V | 1A |
| 7815 | 7915 | 35V | 15V | 1A |
| 7818 | 7918 | 35V | 18V | 1A |
| 7824 | 7924 | 40V | 24V | 1A |
Reguladores Eletromecânicos
Nos reguladores eletromecânicos, a mudança alternada da corrente é feita pela abertura e o fechamento de um contato móvel, pressionado contra um contato fixo pela atuação de uma mola. Assim que a tensão nominal (tensão elétrica a que um determinado aparelho deve ser ligado para operar corretamente) for ultrapassada, um eletroímã, motivado pela tensão do alternador e agindo contra a força da mola, abre os contatos móveis. Um resistor é ligado ao circuito da corrente de excitação, resultando na diminuição da mesma e assim causando uma queda de tensão no alternador. Quando a tensão do alternador diminuir além da tensão nominal, a força da mola sobrepõe a força do eletroímã e faz com que os contatos se fechem novamente. Resumindo quando a tensão for inferior a tensão nominal ela não será suficiente para energizar a bobina do regulador, isso fará com que os contatos móveis permaneçam fechados, originando uma alta corrente de excitação, quando a tensão ultrapassar a tensão nominal a bobina do regulador será energizada, criando um forte campo magnético e abrindo os contatos móveis do regulador e a corrente será obrigada a passar pelo resistor diminuindo assim sua intensidade. O regulador de tensão eletromecânico é utilizado desde a década de 40. Esse método tradicional de regulação pode ser caracterizado pela sua dinâmica lenta de compensação, fato que o torna impróprio para a compensação de Variação de Tensão de Curta Duração, VTCD. Projetos modernos utilizam transistores para executar a mesma função que os relés têm nos reguladores eletromecânicos de tensão.
Regulador Automático de Tensão
O regulador de tensão eletrônico não possui contatos móveis, o que minimiza o seu desgaste. A tensão é regulada eletronicamente. Para esse fim servem os diodos, transistores, resistores e capacitores instalados numa placa de circuito impresso. Com a utilização dos componentes eletrônicos, o regulador de tensão passou a possuir um tamanho bem inferior ao regulador eletromecânico. Basicamente o funcionamento do regulador automático de tensão se resume a quando a tensão for inferior a um valor estipulado, a saída de corrente de excitação será energizada e quando a tensão for maior que o valor estipulado a saída de corrente de excitação será desenergizada. Comparado aos reguladores eletromecânicos os reguladores automáticos de tensão possuem algumas vantagens como por exemplo menor número de componentes, dificuldade na desregulagem, suportar diferentes tipos de condições como vibrações, impactos e temperaturas elevadas, ser compacto podendo ser acoplado ao alternador e maior durabilidade.
Uma das técnicas utilizadas para controlar a tensão eletronicamente é chamada PWM(Pulse Width Modulation) e ela é empregada em diversas áreas da eletrônica pois, por meio de uma onda quadrada, é possível o controle da potência em uma carga. Imagine uma chave simples liga e desliga, quando ligada 100% da tensão e da potência é aplicada a carga, já quando a chave esta aberta a tensão é nula e assim a potência é 0. Quando controlamos o tempo que a chave fica ligada e consequentemente o tempo dela desligada podemos controlar a potência média entregue a carga, por exemplo: a chave fica ligada 50% ligada e 50% desligada, isso quer dizer que em média temos 50% do tempo com corrente e 50% sem. Portanto a potência média aplicada na carga é a própria tensão média, ou seja, 50%, portanto quanto maior o tempo que o pulso se manter em nível lógico alto, ou seja, ligado maior a potencia entregue a carga, quanto menor o tempo em nível lógico alto menor a entrega de potencia(Disponível em:<http://www.mecaweb.com.br/eletronica/content/e_pwm>. Acesso em: 26 de abril, 2017.
Tensão de Saída
É a tensão, ou faixa de tensões, que um regulador fornece em sua saída se a tensão de entrada estiver dentro dos parâmetros aceitáveis. Os reguladores de tensão lineares possuem uma tensão da saída nominal fixa, com uma margem de variação inferior a 5%.Os reguladores com tensão fixa são mais baratos e apresentam uma aplicação maior.r. A serie 78xx e 79xx são os mais comuns destes tipos onde as letras “xx” devem ser preenchidas com a tensão fixa da saída onde as mais comuns são: 5V, 9V, 12V, 15V e 24V. O CI da linha 78xx é para saídas positivas e o CI da linha 79xx é para saída negativa! O CI regulador para fontes de 5V é muito usado em fontes para alimentação de micro-controladores e microprocessadores, já os CI’s 7815 e 7915 ou 7812 e 7912 são muito usados em fontes de alimentação para amplificadores operacionais que necessitam de uma fonte simétrica. O CI 7824 é muito usado em fontes de alimentação para o circuito de controle usando CLP na indústria.(Disponível em:<http://www.ebah.com.br/content/ABAAAeoo4AA/regulador-tensao-com-ci>. Acesso em: 27 de abril,2017.
Uso Comercial
Reguladores de tensão são usados para compensar flutuações de voltagem na rede elétrica grandes reguladores são instalados permanentemente em linhas de distribuição. Já pequenos reguladores são conectados em equipamentos sensíveis. Reguladores automáticos são usados em geradores de navios, fontes de alimentação de emergência, etc.
Os reguladores de tensão são usados em dispositivos como condicionadores de ar, refrigeradores, televisões, etc. a fim de protegê-los da tensão de entrada flutuando. O principal problema enfrentado é o uso de relés em reguladores de tensão, pois estes criam faíscas que resultam em falhas no produto.
Estabilizadores de Tensão
Estabilizadores são equipamentos eletrônicos que são usados para corrigir a tensão da rede elétrica e fornecer uma tensão de alimentação segura e estável, protegendo assim os equipamentos contra problemas da rede elétrica.
A principal função dos estabilizadores e aproximar a tensão de saída que alimenta os aparelhos a ele ligado a ideal, compensado as oscilações da rede elétrica fornecendo um valor estável.
A grande maioria dos estabilizadores utilizam filtros para suprir os ruídos e picos de tensão da rede.
Reguladores Ativos de Tensão
Os reguladores ativos empregam pelo menos um componente ativo tal como um transistor ou amplificador operacional. Reguladores de derivação são muitas vezes passivos e simples, mas sempre ineficazes porque eles despejam o excesso de corrente não a carga. Quando mais potência deve ser fornecida, circuitos mais sofisticados são usados.
Alguns exemplos de reguladores ativos de tensão são:
Regulador Linear
Um regulador linear é um regulador de tensão baseado em um dispositivo ativo (tal como um transistor de junção bipolar) que opera em sua região linear (em contraste, uma fonte chaveada é baseada num transistor forçado a agir como um alternador de liga/desliga) ou em dispositivos passivos como em diodos zener operados em suas regiões de ruptura reversa (breakdown region).
Para saber mais visite a pagina exclusiva sobre regulador linear.
Faixa de tensões de entrada.
Deve-se considerar a tensão mínima de entrada (Input Voltage (Min)) e tensão máxima de entrada (Input Voltage (Max)).
Tipicamente a tensão mínima de entrada deve ser 1,2 Volts superior à tensão de saída, e a tensão máxima de entrada depende de características de cada tipo de regulador. O Regulador de Tensão 7812, com saída estabilizada em 12 Volts, tem sua tensão mínima de entrada estabelecida em 14,5 Volts e tensão máxima de entrada de 30 Volts.
Corrente Elétrica máxima.
Como ocorre em qualquer circuito elétrico, os reguladores de tensão tem limites de corrente elétrica que podem circular em suas junções. Os reguladores de tensão da família 78XX operam com corrente máxima de 1 Ampére. Já os reguladores de tensão automotivos são desenhados para correntes da ordem de dezenas de ampéres.
Potência máxima
O projeto de um regulador de tensão prevê sua potência máxima através da fórmula de cálculo da Potência Elétrica:
Onde:
P: Potência Elétrica, em Watts
Uin: Tensão de entrada no regulador
Uout: Tensão de saída do regulador
Ic: Corrente elétrica na carga alimentada.
Exemplos de Reguladores Lineares
Regulador de transistor

No caso mais simples é utilizada a polarização coletor comum, também conhecido como seguidor de emissor. Esta configuração é usada com a base do transistor regulador conectado diretamente ao referencial de voltagem
A tensão de saída do estabilizador é igual à tensão do diodo Zener menos a tensão emissor base do transistor (UZ - UBE), onde UBE é geralmente cerca de 0,7 V para um transistor de silício, dependendo da carga da corrente. Se a voltagem da saída cair por qualquer razão externa, a tensao emissor base do transistor (UBE) aumenta,
Rv fornece uma corrente de polarização tanto para o diodo Zener como para o transistor. A corrente no diodo é mínima quando a corrente de carga é máxima. O projetista do circuito deve escolher uma tensão mínima que possa ser tolerada por Rv, tendo em mente que quanto maior for essa exigência de tensão, maior a tensão de entrada necessária, e, portanto, menor a eficiência do regulador. Por outro lado, valores menores de Rv levam a uma maior dissipação de energia no diodo.
Rv é dado por:
Onde VR min é a tensão mínima a ser mantida através de Rv
ID min é a corrente mínima a ser mantida através do diodo Zener
IL max é a corrente máxima de carga de projeto
IL max é o ganho de corrente direta do transistor (IC / IB)
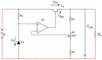
Regulador de amplificador operacional

A estabilidade da voltagem de saída pode ser significativamente aumentada usando um amp/op
Neste caso, o amp/op aciona o transistor com mais corrente se a tensão na entrada inversora cair abaixo da tensão de saída referente a entrada não inversora. A utilização do divisor de tensão (R1, R2 e R3) permite a escolha da tensão de saída arbitrária entre Uz e U(in).
Reguladores de Comutação
Os reguladores de tensão com comutador eletrônico vêm sendo amplamente utilizados e propiciam um bom desempenho na regulação de tensão em regime permanente, apresentando uma dinâmica superior em relação aos comutadores eletromecânicos. Este tipo de equipamento é destinado a manter a tensão em uma rede de distribuição dentro de uma determinada faixa operacional. Cabe ressaltar que o comutador eletrônico de tap's é composto por chaves estáticas (arranjo de semicondutores de potência que permite a condução de corrente de forma bidirecional). Os comutadores eletrônicos são divididos em duas categorias, sendo a primeira uma extensão da própria lógica de comutação do eletromecânico, quando a troca de tap’s é realizada em duas etapas, incluindo a inserção de uma indutância ou resistência para limitar a circulação de correntes entre os enrolamentos de regulação envolvidos na comutação. Isso resulta em uma topologia que é constituída pelo dobro das chaves normalmente requeridas. A segunda proposta descarta a utilização de impedância e estados intermediários durante a troca de tap’s e diminui o número de chaves pela metade, em comparação com a topologia convencional. Dessa forma, contribui para a redução dos custos do comutador e serve de base para as topologias subsequentes.[1]
Características
Um regulador de comutação faz uso de uma série de indutores, capacitores e outros componentes para realizar estes três passos, bem como controlar o fluxo e a quantidade de tensão que atravessa o dispositivo a qualquer momento. Cada um dos componentes de um tipo de regulador de comutação desempenha um papel específico no processo de conversão. Os condensadores e indutores recolhem e armazenam a corrente em vários pontos na conversão. Transistores e outros elementos de comutação têm a função de abrir e fechar o fluxo de corrente, conforme necessário. É este processo de abertura e de fechamento de corrente que fornece um meio específico de regular a corrente de carga, tornando possível converter a corrente e controlar a saída final.[2]
Funções e Aplicações
A função geral de um modelo de regulador de comutação no setor de elétrica e eletrônica geralmente inclui o uso de um sistema de circuito que é fechado e ajuda a suportar o processo de filtragem realizado pelos transistores. O sistema de malha também auxilia a manter um fluxo constante e consistente de energia. Esta ação adicional no processo não sobrecarrega os circuitos e nem causa danos a qualquer dispositivo de recepção da corrente. Em muitos sistemas, um regulador de comutação é um dos componentes monitorados como parte das precauções de segurança. No caso em que as fontes de alimentação de comutação tornam-se instáveis, o regulador, juntamente com outros componentes essenciais que transportam a carga de energia, se desligam antes que uma sobrecarga ocorra. Mas nem sempre este mecanismo funciona assim. Nos últimos anos, o monitoramento do fluxo de energia era um processo manual e exigia um desligamento também manual, em vez de automático. Os reguladores de tensão com comutador eletrônico vêm sendo amplamente utilizados e propiciam um bom desempenho na regulação de tensão em regime permanente, apresentando uma dinâmica superior em relação aos comutadores eletromecânicos.[2]
Reguladores SCR
O SCR (do inglês Silicon Controlled Rectifier - Retificador Controlado de Silício), também conhecido como tiristor, é um dispositivo semicondutor NPNP de 4 camadas. Em seu estado normal o SCR bloqueia a passagem de corrente (ou tensão) entre os seus dois terminais. Porém, quando o eletrodo do gate é submetido a uma tensão apropriada, a corrente passará livremente e levando a carga ao estado ligado. Se a tensão nos dois terminais do dispositivo for invertida o mesmo irá assumir um estado de alta impedância novamente, não podendo mais ser ativado por uma tensão no gate. Ou seja, o SCR equivale a um retificador convencional, exceto que o gate controla o início do seu funcionamento, a partir de quando o dispositivo se torna independente da tensão do gate. Ainda vale ressaltar que um outro dispositivo, o CGS (do inglês Gate Controlled Switch) exerce as mesmas funções do SCR, mas retém o controle mesmo quando o dispositivo está no estado ligado.[3]
Particularidades
Os primeiros equipamentos que foram utilizados para desempenhar esta tarefa de regulação da tensão, foram os reguladores lineares baseados em autotransformadores e comutação de tap's de forma eletromecânica. Estes equipamentos, apesar de serem bastante robustos, são volumosos, lentos (dinamicamente) pesados e não proporcionam a correção do fator de potência do sistema regulador e carga. Neste contexto, com a evolução da eletrônica de potência e advento dos interruptores semicondutores baseados em tiristores, como o SCR, surgiram os denominados variadores de tensão (também conhecidos como gradadores, compensadores estáticos ou controladores de tensão). Estes dispositivos, a partir de uma tensão alternada de entrada, permitem o controle do valor eficaz da tensão de saída (na carga), através do controle do ângulo de disparo dos SCR’s. Apesar dos gradadores permitirem ampla variação do valor eficaz da tensão de saída, com frequência fundamental idêntica à da tensão de alimentação, apresentam enorme distorção harmônica tanto na tensão de saída, quanto na corrente de entrada, mesmo para alimentação de carga linear (inclusive, puramente resistiva).[4]
Medidas de qualidade do regulador
A tensão de saída só pode ser mantida constante. O regulador é especificado por duas medidas:
Regulação da carga é a variação da tensão de saída para uma determinada variação da carga da corrente.
Regulação linear é o grau em que a tensão de saída muda com a mudança de tensão de entrada
Outros parâmetros importantes são
Queda de tensão de saída é a diferença mínima entre a tensão de entrada e a tensão de saída para a qual o regulador ainda pode fornecer a corrente especificada.
Os valores máximos absolutos são definidos para os componentes do regulador, especificando as correntes de saída contínua e de pico que podem ser utilizadas (por vezes limitadas internamente), a tensão máxima de entrada, a máxima dissipação de energia a uma determinada temperatura, etc.
A resposta transitória é a reação de um regulador quando ocorre uma mudança (repentina) da corrente de carga (chamada de transiente de carga) ou tensão de entrada (chamada de transiente de linha). Alguns reguladores tendem a oscilar ou têm um tempo de resposta lento que em alguns casos pode levar a resultados indesejados. Este valor é diferente dos parâmetros de regulação, como é a definição de situação estável. A resposta transitória mostra o comportamento do regulador em uma mudança. Estes dados são geralmente fornecidos na documentação técnica de um regulador e também depende da capacitância de saída.
Ver também
Referências
[1] Fixed Positive Voltage Regulators - μA7800 Series - Texas Instruments - 08/2012
[2] CI Reguladores de Tensão - Prof. Marcelo Wendling - UNESP - 2009
[3] Eletrônica Automotiva (2º Módulo) - Prof. José Carlos - ETEC Martin Luther KingReis, M.S.IMPLEMENTAÇÃO DE UM REGULADOR DE TENSÃO COM COMUTADOR ELETRÔNICO DE TAP.2013.159f.Tese(Doutorado em Engenharia Elétrica)- Universidade Federal do Rio de Janeiro, Rio de Janeiro, 2013.Santos, Roberto Bairros dos.Regulador de tensão usando CI.
- ↑ Reis, Mauro Sandro do. "Implementação de um Regulador de Tensão com Comutador Eletrônico de Tap". Rio de Janeiro: UFRJ/COPPE, 2013. http://pee.ufrj.br/teses/textocompleto/2013121801.pdf - Acessado em 25 de abril de 2017.
- ↑ a b http://www.manutencaoesuprimentos.com.br/conteudo/5880-como-atuam-os-reguladores-de-comutacao Arquivado em 28 de abril de 2017, no Wayback Machine. - Acessado em 25 de abril de 2017.
- ↑ https://www.gta.ufrj.br/grad/01_1/scr/ - Acessado em 25 de abril de 2017.
- ↑ Dantas, Fausto Donizeti. "Regulador de tensão em corrente alternada, com elevado fator de potência e controle digital utilizando dispositivo FPGA. Ilha Solteira: UNESP/FEIS, 2006. http://feis.unesp.br/Home/departamentos/engenhariaeletrica/pos-graduacao/023-tese_fausto_donizeti_dantas.pdf - Acessado em 25 de abril de 2017.