Lester Allan Pelton
| Lester Allan Pelton | |
|---|---|
![]() | |
| Nascimento | Vermillon |
| Morte | 14 de março de 1908 (78 anos) |
| Nacionalidade | |
| Prêmios | Medalha Elliott Cresson (1895),[1] National Inventors Hall of Fame (2006) |
Lester Allan Pelton (Vermillon, Ohio, 5 de setembro de 1829 — Oakland (Califórnia), 14 de março de 1908 foi um inventor estadunidense. Contribuiu significativamente para o desenvolvimento da hidroeletricidade e da energia hidrelétrica no Velho Oeste americano, bem como em todo o mundo. No final da década de 1870, ele inventou a Turbina Pelton, na época o projeto mais eficiente da turbina hidráulica de impulso. Reconhecido como um dos pais da energia hidrelétrica.[2][3]
Inventando a roda Pelton

As ideias de Pelton para melhorar a roda d'água de turbina vieram de seus estudos de equipamentos e operações de mineração no país da corrida do ouro da Califórnia. Seguem-se descrições resumidas da tecnologia local observada por Pelton e da ciência pela qual sua roda d'água de turbina extrai energia cinética de um riacho de montanha.
O calor a vapor alimentava grande parte das atividades de mineração locais, mas exigia muita madeira como combustível; florestas próximas foram dizimadas rotineiramente. Rodas hidráulicas de turbina também eram usados para fornecer energia, mas eram ineficientes para converter a energia cinética de riachos de montanha em cavalos de força. D.P. Stern relata: "De acordo com um artigo de 1939 de W.F. Durand da Universidade de Stanford em Engenharia Mecânica, a invenção de Pelton começou a partir de uma observação acidental em algum momento da década de 1870. Pelton estava observando uma turbina de água girando quando a chave segurando sua roda em seu eixo escorregou, fazendo com que ficasse desalinhado. Em vez de o jato atingir as xícaras no meio, o deslizamento fez com que ele atingisse a borda; em vez de o fluxo de água ser interrompido, ele foi desviado em um semicírculo, saindo novamente com Surpreendentemente, a turbina agora se movia mais rápido. Essa foi a grande descoberta de Pelton".[4]
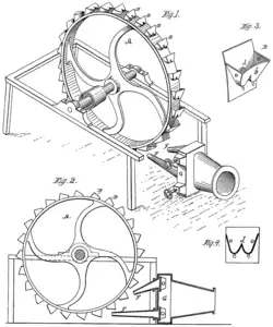
Experimentando e modelando, Pelton melhorou a eficiência da roda Knight (desenvolvida anteriormente pela Knight Foundry na vizinha Sutter Creek). A roda de Knight recebeu o jato de fluxo ligeiramente fora do centro e em um ângulo em um único copo de turbina. Alternativamente, a roda Pelton - implantando um copo duplo dividido (na verdade, dois copos lado a lado) e, em seguida, dividindo o jato de água diretamente na palheta comum do copo duplo - capturou a energia cinética de um fluxo com mais eficiência. O projeto de Pelton teve dois resultados principais: consolidou a introdução de uma nova ciência física na antiga busca humana para desenvolver a energia hidrelétrica, ou seja, a ciência do impulso turbina em oposição à turbina de reação; e revolucionou o uso de turbinas adaptadas para locais de alta queda (isto é, energia de elevação). Antes de Pelton, quase todas as turbinas de água eram máquinas de reação movidas por pressão de água, enquanto a roda de Pelton era movida pela energia cinética de um jato de água de alta velocidade que poderia ser convenientemente desenvolvido a partir de um pequeno riacho na montanha.[4]
.png)
Construindo a roda Pelton
No final da década de 1870, Pelton modelou, testou e fabricou sua primeira roda de turbina, apelidada de Pelton Runner - mais tarde referindo-se apenas às lâminas de impulso - na Miners Foundry em Nevada City, Califórnia. Em 1878, na Mina Mayflower em Nevada City, ele instalou a primeira roda Pelton operacional. Naquela época, a roda da Knight Foundry estava sendo vendida como o padrão da indústria, mas em uma competição direta realizada em 1883 na mina de Idaho nas proximidades de Grass Valley, o projeto de Pelton provou ser muito mais eficiente. O projeto Pelton forneceu 90 por cento de eficiência (de conversão de energia cinética do fluxo de fluxo em cavalos de força), enquanto o próximo melhor concorrente alcançou menos de 77 por cento - em um momento em que a maioria das rodas d'água existentes normalmente tinham menos de 40 por cento.[5][6]
Referências
- ↑ «Laureates» (pdf) (em inglês). The Franklin Institute. Consultado em 1 de julho de 2015. Cópia arquivada em 1 de julho de 2015
- ↑ «Knight Foundry and Sutter Creek». Sierra Nevada Virtual Museum. Consultado em 29 de janeiro de 2010. Arquivado do original em 23 de julho de 2011
- ↑ «Invent Now | Hall of Fame | Search | Inventor Profile». web.archive.org. 19 de dezembro de 2012. Consultado em 6 de setembro de 2021
- ↑ a b «Planetary Swing-by and the Pelton Turbine». www.phy6.org. Consultado em 6 de setembro de 2021
- ↑ «Knight Foundry and Sutter Creek». Sierra Nevada Virtual Museum. Consultado em 28 de julho de 2011. Cópia arquivada em 23 de julho de 2011
- ↑ «Miners Foundry – Allans Machine Shop Founded 1856». hmdb.org. Historical Marker Database. Consultado em 26 de julho de 2011
