Contador (eletrônica)
Um contador é um circuito digital que evolui sob o comando de um sinal de relógio, de forma que seus estados reproduzam uma sequência pré-determinada. Contadores digitais são utilizados principalmente para contagens, geração de palavras, divisão de frequências, medição de frequência e tempo. São basicamente divididos em duas categorias: contadores assíncronos e síncronos.
Contadores assíncronos
Nesse tipo de contador, o pulso de relógio é aplicado apenas no primeiro bloco flip-flop, enquanto para os demais blocos, a saída do bloco anterior é que vai servir como sinal de relógio. Os principais tipos de contadores assíncronos são:
- Contadores de Pulso
- Contadores de Década
- Contador Seqüencial de O a N
- Contadores Assíncronos Decrescentes
- Contadores Assíncronos Up-Down (crescente/decrescente)
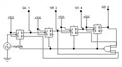
Contadores de pulso
A principal característica de um contador de pulso é apresentar nas saídas, o código binário 8421 em sequência. Seu circuito básico apresenta um grupo de quatro blocos flip-flop JK mestre-escravo, os quais possuem as entradas J e K iguais e sempre em nível alto (1).
É um circuito divisor de frequência, ou seja, a frequência dos pulsos na saída é igual a metade da frequência de entrada no bloco, se no bloco entrar uma frequência de 48 Hz, sairá uma frequência de 24 Hz que alimentará o próximo bloco e assim pôr diante. Como divisor o funcionamento se dá da seguinte forma, a primeira saída é igual a 2 elevado a 1 que é igual a dois, a segunda saída é igual a 2 elevado a 2 que é igual a 4, e assim por diante formando a partir da primeira saída até a última os valores de 2,4,8,16,32,64,128,256,512,1024,2048,4096 para um CI com 12 saídas como o CD4040,dividindo a frequência de entrada pelo valor da saída resulta a nova frequência, exemplo 1Khz no clock e usando a saída correspondente a 2 teremos 500 Hz na saída. A saída dos blocos será se dará pelas saídas "Q". Esse contador contará uma seqüência de 0 a 15. A saída "Q" de maior frequência é a saída menos significativa LSB (Less Significative Bit) e a saída "Q" de menor frequência é a saída mais significativa MSB (Most Significative Bit).
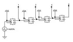
Contadores de década

É o circuito que efetua a contagem, em números binários, de zero a nove (10 algarismos), ou código BCD, isso significa seguir uma sequência binária 8421 de 0000 a 1001. Para construir esse circuito, utilizamos o contador de pulso, interligando as entradas clear dos flip-flops. Para que o contador conte somente de 0 a 9, deve-se jogar um nível zero na entrada clear assim que surgir o caso (1010), ou seja, no 10º pulso.
Para que isso aconteça, ligamos as saídas "Q" dos flip-flops 4 e 2 e as saídas "Q*" (Q barra) dos flip-flops 3 e 1, em uma porta NAND, já que para a combinação descrita, Q4=1, Q2=1, Q*3=1 e Q*1=1 a porta NAND só vai ter entradas 1, e resultará uma saída 0, ativando os clears dos flip-flops.
Contador sequencial de O a N
Neste contador, a quantidade de blocos flip-flop depende da quantidade de bits do limite de contagem. Tendo dois blocos podemos contar no máximo de 0 a 3, tendo três blocos podemos contar no máximo de 0 a 7, tendo quatro blocos podemos contar no máximo de 0 a 15, e assim por diante.
Funciona com o mesmo princípio do contador de década, porém o nível zero a ser jogado no clear mudará. Por exemplo, se tivermos 3 flip-flops, a contagem será feita até 7, sendo que esse será observado por um tempo mais curto, pois 7 em binário é 111, e teremos que ligar todas as saídas Q na porta NAND para o nível zero ativar o clear do flip-flops, resultando em um tempo menor de observação para o número 7.
Contadores de pulso crescente/decrescente
São também conhecidos como contadores UP/DOWN. Neste circuito temos um multiplexador entre os blocos, que está ligado a um barramento de controle, que irá determinar se a contagem será crescente (o nível do barramento for 1) ou decrescente (nível do barramento for 0).
Contadores síncronos
Nesses contadores, o sinal de relógio entra em todos os flip-flops simultaneamente. Para que haja mudanças de estado, deve-se então estudar o comportamento das entradas J e K dos vários flip-flops, para que se tenha nas saídas as sequências desejadas. Para isso, deve-se escrever a tabela verdade das entradas J e K dos flip-flops para que esses assumam os estados seguintes. O contador síncrono é o mais completo contador, ele tem condições de gerar qualquer tipo de sequência binária, ou seja, é um gerador de palavras e consequentemente de códigos binários.
Em aplicações práticas, indo para níveis mais baixos de abstração, contadores são formados pela ligação em cascata de flip flops, os quais são compostos por portas lôglógicas, e as portas lógicas por sua vez, por transistores, pode ser do tipo bipolares (TBJ) ou mosfets.
Em teoria, todos tipos de contadoresem, levando em consideração o princípio de funcionamento teórico dos transistores, o qual diz que: "os transistores não devem conduzir quando nenhum sinal é aplicado em seu terminal de controle, no caso, o terminal da base em transistores bipolares de junção, e o terminal da porta em transistores mosfets, salvo uma possível corrente de fuga, que é insignificante, a qual não alteraria os estados de funcionamento do circuito". Partindo deste princípio, no estado inicial, todos os flip flops dos contadores deveriam apresentar idealmente em suas saídas Q o nivel lógico binário 0, e nas saídas Q' o nível lógico binário 1, contudo na prática isto é bem difícil de acontecer pelos flip flops por sí só, se não forem tomadas medidas de inicialização.
No caso de flip flops com transistores bipolares de junção, seja um circuito discreto, ou circuitos integrados (chip) TTL, os transistores até são polarizados de forma a se ter 0 em Q e 1 em Q'. Mas o problema é que mesmo com a atual precisão na fabricação de transistores, sempre haverá uma diferença de dopagem entre eles, o que ocasiona uma diferença de resistividade entre eles, e por consequência uma diferença em seus ganhos. Assim sendo, o transistor mais fortemente dopado, terá por consequência um ganho maior, e conduzirá mais do que outro transistor menos dopado durante o processo de fabricação. Isso pode acarretar em estados indesejáveis e erros de contagem. Além disso existe o fenômeno chamado de "carregamento da base" em TBJs, no qual ao ser desligado um transistor do tipo NPN por exemplo, sua base ficará com alguns elétrons em excesso acumulados, polarizando a mesma reversamente, de modo que ao se desligar um flio flop com TBJ, e liga-lo novamente em seguida, persebe-se que o transistor que estava satava saturado anteriormente entra em corte, e o que estava em corte satura, devido a este fato. Contudo este fenômeno dura apenas alguns segundos, devido ao das três regiões estarem unidas elétricamente no TBJ, com o passar do tempo os elétrons acumulados na base se distribuem para as demais regiões semicondutoras, e o transistor volta a operar normalmente.
Já na tecnologia de circuitos integrados CMOS com transistores mosfets do canal N e P, a mais utilizada hoje em dia em circuitos digitais, normalmente as portas destes transistores são ligadas diretamente em cascata, sem polarização (ligação flutuante) o que ocasionado o acionamento indesejado dos transistores pelo fenômeno da capacitância parasita, também conhecido como Cross Talk.
É importante salientar, que tanto os transistores mosfets como os bipolares, estão sujeitos a este fenômeno, como por exemplo no carregamento da base descrito no parágrafo anterior. Só que nos transistores mosfets, este fenômeno é bem mais intenso e duradouro em relação ao TBJ, devido ao fato da porta, que é seu terminal de controle, está isolada da região semicondutora por uma camada de óxido, formando um dielétrico entre as duas, o que favorece a permanência de cargas na porta por um longo período de tempo. Devido a esta esta característica particular também, os transistores mosfets são dispositivos controlados por tensão, pois um sinal positivo na porta de um transistor do canal N, cria um campo elétrico que atrai elétrons na região semicondutora, formando o canal de condução. O que é importante salientar, é que na maioria dos casos não é necessário a aplicação de um sinal em sua porta para fazer um mosfet entrar em condução, campos elétricos externos, adjacentes e próximos ao transistor, e também até mesmo o campo elétrico produzido pela fonte de alimentação do sistema, o qual se espalha pela superfícíe onde encontra-se montado o transistor, podendo ser uma placa de circuito impresso, ou pastilha de silício em circuitos integrados, produzem os mesmos um momento atração/repulsão na sua porta, levando-o a condução e até a saturação involuntária, o que pode produzir a aparição de estados indesejados em um contador.
Fontes
- Sistemas Digitais - Ronald J. Tocci - Neal S. Widmer
- Eletrônica Digital: Teoria, Componentes e Aplicações - Mordka Szajnberg
- Vlsi Design Techniques for Analog and Digital Circuits - Randall L. Geiger, Phillip E. Allen, Noel R. Strader