Conversor analógico-digital

 Nota: Para a medida jurídica representada pela sigla ADC, veja Ação declaratória de constitucionalidade. Para o clube desportivo sergipano, cujo acrônimo é ADC, veja Associação Desportiva Confiança.

O conversor analógico-digital (frequentemente abreviado por conversor A/D ou ADC) é um dispositivo eletrônico capaz de gerar uma representação digital a partir de uma grandeza analógica, normalmente um sinal representado por um nível de tensão ou intensidade de corrente elétrica.

Como funciona

O processo de conversão A/D é mais complicado e mais demorado do que o processo de conversão D/A, havendo uma grande variedade de métodos para realizar tal conversão.

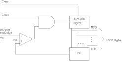
O circuito do conversor é composto por um contador de década que gera o código BCD 8421 nas saídas A', B', C' e D'. As saídas entram em um conversor D/A, fazendo com que apresente na saída uma tensão de referência, a qual é injetada em uma das entradas de um circuito comparador constituído por um amplificador operacional. Na outra entrada têm-se o sinal analógico a ser convertido.

Os ADCs são muito úteis na interface entre dispositivos digitais (microprocessadores, microcontroladores, DSPs, etc) e dispositivos analógicos e são utilizados em aplicações como leitura de sensores, digitalização de áudio e vídeo.

Por exemplo, um conversor A/D de 10 bits, preparado para um sinal de entrada analógica de tensão variável de 0V a 5V pode assumir os valores binários de 0 (0000000000) a 1023 (1111111111), ou seja, é capaz de capturar 1024 níveis discretos de um determinado sinal. Se o sinal de entrada do suposto conversor A/D estiver em 2,5V, por exemplo, o valor binário gerado será 512.

Conceitos do conversor

Anti-aliasing

Como os conversores são limitados em banda, ou seja, trabalham apenas em uma faixa específica de freqüência(1 a 10kHz), normalmente [0,fN], onde fN representa o dobro da freqüência do maior sinal passível de ser adquirido (fN/2 - freqüência de Nyquist), normalmente utiliza-se um filtro passa-baixas com a finalidade de evitar que amplitudes de harmônicas de alta freqüência apareçam na entrada do conversor.

Estudo comparativo

Sinais gerados por circuitos analógicos são muitas vezes processados por circuitos digitais, por exemplo, por um microcontrolador ou por um microcomputador.

Para processar sinais analógicos usando circuitos digitais, deve-se efetuar uma conversão para essa última forma, a digital. Tal conversão é efetuada por um Conversor Analógico-Digital ("A/D converter" ou ADC).

O sinal recebido, depois de digitalizado, é processado e, na maioria das vezes, será utilizado para atuar sobre o circuito analógico que gerou o sinal original ou até mesmo sobre outro circuito.

Por isso, um sinal na forma digital, para ser processado por um bloco funcional analógico, deve ser previamente convertido (ou reconvertido) para a forma analógica equivalente.

Um sistema que aceita uma palavra digital como entrada e traduz ou converte o valor recebido para uma voltagem ou corrente analógicas proporcionais à entrada é chamado de Conversor digital-analógico ("D/A converter" ou DAC). Neste caso, quanto mais bits conter o sinal de entrada(digital), melhor será o sinal convertido(analógico) pois haverá maior precisão.

Tipos de conversores A/D

De um modo geral os conversores A/D podem ser divididos em alguns tipos técnicos, conforme as suas características fundamentais de conversão:

Conversor em Rampa

O conversor em rampa é um conversor A/D simples e que pode ser projetado para que tenha uma alta resolução. Quando a taxa de amostragem não necessita ser elevada mas não dispensa alta resolução, este tipo de conversor é a melhor opção. O funcionamento deste dispositivo basea-se na integração de sinais e seus componentes básicos são: um comparador, um contador e um integrador de Miller.

Figura 1. Conversor A/D do tipo rampa com contador

Esse é seu princípio de funcionamento: primeiramente se integra o sinal de entrada (Vin) durante um tempo fixo, posteriormente move-se a chave presente na entrada do integrador para o ponto onde está conectada a tensão referência conhecida (Vref), de sinal contrário em relação à tensão de entrada, nesta fase faz-se a integração da Vref que se volte ao estado inicial, ou seja, tensão nula na saída do integrador. O contador citado anteriormente como um dos componentes básicos deste tipo de conversor é responsável por determinar o tempo da rampa de subida (integração de Vin) e realizar a contagem do tempo de descida (integração de Vref).

A inclinação da rampa de subida é dependente da amplitude do sinal de entrada, por isso, para diferentes sinais de entrada teremos um valor de tensão (Vm) diferente ao final da primeira etapa de integração. Já a rampa de descida irá apresentar sempre a mesma inclinação, pois o valor do sinal de entrada do integrador é sempre o mesmo nesta fase, apenas o tempo de duração desta rampa de descida irá alterar, e é justamente este tempo que é utilizado para a determinação da amplitude do sinal de entrada.

A simplicidade deste tipo de conversor, aliada a seu baixo consumo de energia, faz com que ele seja escolhido, geralmente, para aplicações de instrumentação de baixo custo, como multímetros digitais.

Conversor de Aproximação Sucessiva

O conversor SAR ADC(ou conversor de aproximação sucessiva) representam a maior parte de conversores de resoluções médio-grande. Eles possuem pouco consumo de energia, uma alta resolução e precisão, e o fato de serem fisicamente pequenos também ajuda. Devido a esses benefícios os ADCs SAR podem ser integrados com outras funções maiores.

Figura 2. Conversor de aproximação sucessiva

As suas maiores limitações são as pequenas taxas de amostragem, uma resolução limitada devido aos limites do DAC e comparador, e tambem o fato de seu tamanho aumentar com o numero de bits. É ideal para sistemas com dados de multi-canais e frequências de amostras abaixo de 10MHz e resoluções entre 8 e 16 bits.

Seus circuitos são mais complexos do que os do conversor em rampa, porém seu tempo de conversão é muito menor, o que torna seu uso bastante atrativo. Além disso, os conversores A/D por aproximações sucessivas têm um tempo de conversão fixo, que não depende do sinal analógico presente em sua entrada. O esquema básico deste conversor é similar ao do conversor em rampa.

No entanto o conversor A/D por aproximações sucessivas não utiliza um contador para gerar a entrada do conversor D/A, usando, em seu lugar, um registrador comum. A lógica de controle modifica o conteúdo deste registrador bit a bit, até que o dado armazenado no registrador seja equivalente à entrada VA, dentro da resolução do conversor.

Paralelo ou flash

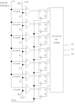
Figura 3. Conversor A/D de 7 comparadores

Os conversores tipo paralelo têm como circuito básico de entrada um pré-amplificador e um latch, que atuam juntos em uma configuração de circuito comparador. Na saída dos comparadores é necessária a colocação de um circuito de codificação que irá receber os sinais dos comparadores e codificar o sinal de saída em código binário (ou “GRAY”).

A grande vantagem do conversor A/D paralelo é a grande rapidez na conversão, porque o sinal analógico de entrada é comparado diretamente e simultaneamente com cada nível de voltagem de referência em comparadores distintos.

A grande dificuldade ou desvantagem dos conversores A/D paralelo é o aumento do número de comparadores de latch e complexidade do codificador à medida que se aumenta a resolução, isso ocasiona um enorme aumento na área de silício e consumo de potência, devido ao grande número de componentes.

O conversor A/D paralelo é o mais rápidos dentre todos os tipos de conversores e normalmente é construído utilizando-se a versão mais rápida de uma determinada tecnologia, mas é expressivamente caro, visto que necessita de 2ⁿ-1 comparadores para um conversor de n bits.

Referências Bibliográficas

SICA, Carlos. "Sistemas Automáticos com Microcontroladores 8031/8051", Editora Novatec, 2006.

Boylestad, R.; Nashelsky, L. "Dispositivos Eletrônicos e Teoria de Circuitos", Editora Phb,1994.

Lando, R. A. & Alves, S. R., Amplificador Operacional, Livros Editora Erica Ltda., 1985, São Paulo, Brasil.

Max Feldman, Estudo e Simulação de um Conversor A/D do tipo Redistribuição de carga, Porto Alegre, 2013.

IDOETA, I. V. & CAPUANO, F. G. "Elementos de Eletrônica Digital", Editora Érica Ltda, 2012