Circuito eletrônico

exemplo de circuito eletrônico
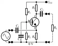
Esquema de um amplificador bem simples.

Os circuitos eletrônicos diferem dos circuitos elétricos por possuírem interligações entre diversos componentes eletrônicos, enquanto os circuitos elétricos somente têm conexões entre componentes elétricos.

Antigamente, a montagem de circuitos eletrônicos era executada de forma artesanal e sobre um chassis. Neste chassis eram parafusadas pontes de ligações, e nestas feitas as conexões entre os diversos componentes e a respectiva fiação, soldados de acordo com um diagrama pré estabelecido.

Montagem manual de um circuito

Com o advento da miniaturização, veio a necessidade de uma aglomeração mais compacta entre os componentes e peças formadoras do circuito eletrônico. Esta nova plataforma de montagem era totalmente diferente dos antigos chassis e suas pontes de conexão. Inicialmente os circuitos começaram a ser aglomerados em placas de materiais isolantes com furos onde de um lado se inseriam as pernas dos componentes e na outra face eram soldados os fios das conexões. Este processo, além de demorado acabava por complicar a montagem, aumentando a probabilidade de erros.

Passou-se então a se utilizar um método de alta escala de produção chamado de circuito impresso. Os circuitos impressos utilizam componentes como resistores, capacitores, transístores e condutores entre outros. O início de seu uso foi logo após a Segunda Guerra Mundial, quando foi inventada a solda por emersão.

Antes do processo da solda por emersão, os componentes eram soldados um a um nas pontes com o uso de ferros de solda. Com o novo método, os componentes eram dispostos numa placa de material isolante, onde numa das faces eram feitas as ligações através de um método de impressão e corrosão de uma fina película de cobre. Esta película ficava após corroída com a fiação impressa exposta. Ao inserir os componentes nos furos feitos na placa isolante, suas pernas eram cortadas e a face de ligação onde estavam, era imersa em estanho derretido. Após retirar o circuito que estava em contato com o estanho, os componentes já estavam presos ao cobre de forma fixa, rápida e perfeita.

Modernamente os circuitos eletrônicos são muito mais complexos, além dos métodos normais de circuitos impressos existem outras formas muito mais avançadas de produção. O circuito eletrônico, deixou de ser um circuito propriamente dito, passou a ser encarado como um componente eletrônico. Exemplos são os circuitos integrados, microprocessadores, entre outros.

Componentes básicos

Todo circuito eletrônico é constituído de no mínimo três componentes:

  • Fonte de alimentação: Fornece energia para o circuito trabalhar.
  • Dispositivo de saída: Realiza trabalho útil. Pode ser um led, um alto-falante, etc.
  • Condutores: Interligam os componentes do circuito. São os fios e cabos, e algumas vezes a carcaça metálica do equipamento.

Contudo, somente circuitos muito simples funcionam sem um quarto componente:

  • Dispositivo de entrada: Podem converter outra forma de energia em eletricidade, que será utilizada pelo circuito (p. ex. um microfone), ou oferecer ao usuário meios de controle sobre o comportamento do circuito (p. ex. um potenciômetro).

Grandezas em um circuito

Em um circuito de eletrônica podem ser medidas as seguintes grandezas:

  • Tensão[1]: é uma indicação de quanta energia é envolvida na movimentação de uma carga elétrica entre dois pontos no espaço.
  • Corrente[2]: consiste no fluxo de cargas elétricas que se movimentam.
  • Potência[3]: é definida como a quantidade de energia térmica que passa por um condutor durante uma quantidade de tempo.

As unidades fundamentais de medidas em eletricidade são o volt (V), usado para medir tensões, o ampère (A), usado para medir correntes e o watt (W), utilizado para medir potência. Para o tempo, a unidade de medida adotada é o segundo (s); que combinado com tensão e corrente forma outras quantidades úteis. Os símbolos algébricos para tensão, corrente e potência são, respectivamente, V, I e P.

Lei de Ohm

Um simples circuito, onde há uma fonte de tensão V, gerando uma corrente I, e a mesma diminuindo seu valor com a resistência R.

A lei de Ohm define a unidade de resistência[4] como 1[V] dividido por 1[A]. O símbolo para resistência é R e sua unidade de medida é o ohm (Ω). Resistência elétrica é a capacidade de um corpo qualquer de se opor à passagem de corrente elétrica mesmo quando existe uma diferença de potencial aplicada. Seu cálculo é dado pela Primeira Lei de Ohm.

A lei de Ohm pode ser escrita como se segue:

Circuitos analógicos

Simbologia de componentes comumente utilizados.

Circuitos eletrônicos analógicos são aqueles em que a corrente ou a tensão podem variar continuamente com o tempo para corresponder à informação que está sendo representada. Além disso, seu comportamento varia com a temperatura e outros fatores. Os componentes comumente utilizados são os resistores, mosfets, indutores, transistores, capacitores, LEDs e diodos, mas existem outros componentes, que por sua vez possuem uma simbologia específica.[5]

Circuitos digitais

Diferentemente dos circuitos analógicos, onde os valores de tensão se alteram, nos circuitos digitais as tensões podem assumir apenas dois níveis lógicos: Nível lógico alto, correspondente a 5 volts, e nível lógico baixo, corresponde a 0 volts (Ground). Os circuitos digitais originam-se de transistores interconectados entre si, onde os mesmos são utilizados em pequenas escalas, formando os denominados circuitos integrados, a partir deles, pode-se criar portas lógicas que fornecem as funções da lógica booleana: AND, NAND, OR, NOR, XOR e NOT, juntamente com suas combinações. Os transistores interconectados para fornecer feedback positivo são usados como travas e flip-flops, circuitos que possuem dois ou mais estados metaestáveis e permanecem em um desses estados até serem alterados por uma entrada externa.

Com essas diferenças, nota-se que os circuitos digitais possibilitam um manuseio mais facilitado do projeto, visto que não é necessário preocupar-se com distorções, controle de ganho, tensões de offset entre outras apresentadas no circuito analógico. Com isso, é possível aplicar uma enorme quantidade de elementos lógicos em um circuito digital de alta complexidade, em um único chip de silício, tornando assim as operações lógicas mais acessíveis e são encontradas soluções mais rapidamente para problemas mais complexos. Os circuitos digitais, portanto, podem fornecer lógica e memória, permitindo que executem funções computacionais arbitrárias.

Formação das portas lógicas

Como foi anteriormente dito, as portas lógicas são formadas a partir de transistores, mosfets e resistores, vistas nos modelos logo abaixo:

Tecnologia de montagem superficial

Placa com tecnologia de montagem superficial, onde pode se notar claramente que os componentes utilizados são relativamente pequenos.

Com o avanço da tecnologia, houve a necessidade de reduzir cada vez mais o tamanho das placas, para assim torná-las compactas e produzir dispositivos menores, com isso, os componentes reduziram significativamente de tamanho com o decorrer dos anos. A tecnologia de montagem em superfícies consiste em componentes que estão soldados acima e abaixo da placa, podendo assim, realizar um maior aproveitamento das duas faces da placa, o que antes não existia, pois os componentes passavam de um lado para o outro da placa e suas pernas soldadas para poder então fixá-lo. Como houve a miniaturização das placas, os circuitos ficaram mais aglomerados, dificultando assim encontrar os problemas existentes.  

Ver também

Referências

  1. BEATY, W. J. (1998). What is Voltage?. Science Hobbyst: [s.n.] 
  2. MCGRAW-HILL, SCHAUM (1984). Eletrônica básica. [S.l.]: McGraw-Hill 
  3. «Potência elétrica». Virtuous Tecnologia da Informação. Consultado em 29 de março de 2018 
  4. Villate, Jaime E. (2013). Eletricidade e Magnetismo. [S.l.: s.n.] 
  5. Colclaser; Neamen; Hawkins, Roy A. ; Donald A. ; Charles F. Electronic circuits analysis basic principles. [S.l.: s.n.] 

Ligações externas