Amplificador
Amplificador
| |
|---|---|
Amplificador de um rádio gravador | |
| Características | |
| Classificação | (amplifier audio electronics dispositivo) |
| Commons | Audio power amplifiers |
| Diferente de | Amplificador amplificador operacional amplifier |
| Localização | |
| Especificações ténicas | |
| [ Editar Wikidata ] [ Mídias no Commons ] [ Categoria principal ] [ Editar infocaixa ] | |
Amplificador é um equipamento que utiliza uma pequena quantidade de energia para controlar uma quantidade maior. Em sua utilização mais coloquial, o termo se refere a amplificadores eletrônicos, principalmente aqueles usados para aplicações de áudio e para transmissão de rádio. A relação entre a entrada e a saída de um amplificador — geralmente expressa em função da frequência de entrada — é denominada função de transferência do amplificador, e a magnitude da função de transferência é denominada de ganho.[1]
Amplificadores eletrônicos
O amplificador mais comum é o eletrônico, usualmente usado em transmissores e receptores de rádio e televisão, equipamentos estéreo de alta fidelidade (high-fidelity ou hi-fi), microcomputadores e outros equipamentos eletrônicos digitais, e guitarras e outros instrumentos musicais elétricos. Seus componentes principais são dispositivos ativos, tais como válvulas ou transistores.
Em alta fidelidade o amplificador é um aparelho eletrônico que eleva os níveis de tensão dos sinais de áudio. É muitas vezes empregado para designar o conjunto pré-amplificador e amplificador de potência ou o amplificador integrado.

Pré-amplificador é o estágio de um amplificador de áudio que recebe o sinal da fonte sonora, tais como o gravador cassete, o radiorreceptor e o toca-discos de baixo nível e corrige-o, entregando em sua saída um sinal suficientemente elevado para excitar o amplificador de potência.
Amplificador de potência é o estágio de um amplificador de áudio ou de RF (radiofrequência) que eleva o sinal de áudio ou de RF fornecido pelo pré-amplificador ou oscilador a um nível de tensão e impedância adequados para funcionar as caixas acústicas ou antenas transmissoras.
O amplificador integrado possui o pré-amplificador e o amplificador de potência juntos no mesmo aparelho.
Amplificadores valvulados
No início do século XX, mais precisamente em 1907, Lee De Forest patenteia o Audion, posteriormente reconhecido como o primeiro triodo da história. O Audion foi a primeira válvula termiônica usada na amplificação de sinais de áudio e de telégrafo (código Morse), conforme a patente de número 879,532, publicada em 1908.[2]
As válvulas eram os únicos dispositivos ativos existentes à época e deram, assim, início à chamada era da eletrônica, por permitirem a possibilidade de amplificar sinais, algo impossível até a descoberta do Audion.
Válvulas ainda são utilizadas em aparelhos High End e em amplificadores para instrumentos, em especial a guitarra elétrica e sua contrapartida grave, o contrabaixo elétrico.
Um amplificador valvulado geralmente funciona sob altas tensões de alimentação e baixas correntes, o que torna necessário o uso de transformadores de saída para adequar as impedâncias de saída do amplificador (altas) com as baixas impedâncias dos alto falantes. Os valvulados podem ser montados em topologia Single-End, onde apenas uma válvula amplifica todo o sinal, mas com baixo rendimento (classe A) e com topologia Push-Pull onde pares de válvulas são conectadas ao transformador de saída de forma que cada válvula de cada par amplifique apenas um semiciclo (positivo ou negativo) do sinal de áudio. São muito usadas válvulas pêntodo de potência como elementos de saída tais como KT88, KT66, 6550, EL34, EL84, 6L6 e 6V6 entre outras. Na realidade, algumas válvulas de potência, como 6550, 6L6 e 6V6 não são pêntodos comuns. Em vez de uma terceira grade, são dotadas de uma moldura que concentra o feixe de elétrons sobre as grades. Daí a denominação de 'tetrodo de feixe dirigido'. Alguns fabricantes norte-americanos as chamam de 'beam pentode'.
|
|
|
| Amplificador valvulado RCA (c. 1955). |
Disposição dos componentes eletrônicos de um amplificador valvulado sobre o chassi. |
Esquema elétrico de um amplificador valvulado. |
Amplificadores transistorizados
Com a invenção dos transístores, as válvulas foram pouco a pouco substituídas por estes novos amplificadores, devido às vantagens de menor consumo de energia, maior durabilidade, menor tamanho e custo menor. Os amplificadores transistorizados têm comportamento diferente dos valvulados, a distorção é diferente e não necessitam de transformadores de saída para casar as impedâncias dos alto-falantes. Hoje os amplificadores transistorizados podem ser construídos com transístores bipolares ou MOSFETs ou ainda circuitos integrados. De um modo geral, os amplificadores valvulados apresentam uma sonoridade bem melhor que a dos transistorizados, e portanto, são preferidos pelos músicos profissionais.
|
| |
| Fender mini-twin, transistorizado. | Caixa aberta de um sistema de som automotivo, exibindo a disposição dos componentes eletrônicos do amplificador na placa de circuito impresso. |
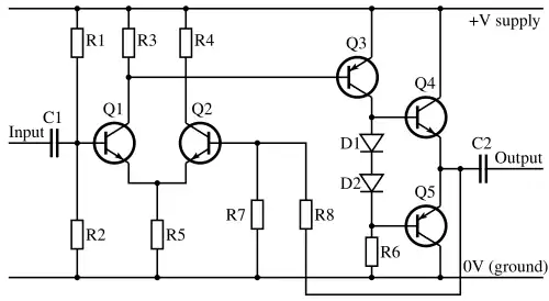
Esquema elétrico de um amplificador transistorizado. |
Amplificadores operacionais (ampops)
Amplificadores Operacionais são amplificadores diferenciais DC de alto desempenho: alto ganho, alta impedância de entrada, baixa impedância de saída e grande resposta em frequência. Foram criados para implementar computadores analógicos, executando operações matemáticas (donde derivam seu nome) com valores de tensões como operandos e resultados. Podem ser construídos com transístores ou válvulas (hoje a maioria é na forma de circuito integrado). São muito usados em instrumentação e equipamentos eletrônicos em geral.
Os amplificadores operacionais podem ainda ser divididos em dois tipos:
- Entrada em Tensão
- Entrada em Corrente
Classes de amplificadores
As classes de amplificadores diferenciam-se quanto ao método de operação, eficiência, linearidade e capacidade de potência de saída.
Os amplificadores podem ser classificados em:
- Classe A — o dispositivo eletrônico de saída (válvula ou transistor) conduz durante os 360 graus do sinal de entrada. O rendimento é baixo (menor que 50%), mas é o que proporciona a melhor fidelidade ao sinal original;
- Classe B — o dispositivo eletrônico de saída (válvula ou transistor) conduz durante apenas 180 graus do sinal de entrada (apenas um semiciclo). Apresenta maior rendimento (aproximadamente 75%), no entanto, mais distorção que o anterior;
- Classe AB — situam-se entre os amplificadores de Classe A e os de Classe B, de forma que o dispositivo eletrônico de saída (válvula ou transistor) conduz pequena parcela a mais do que 180 graus do sinal de entrada. A qualidade é superior ao de classe B;
- Classe C — o dispositivo eletrônico de saída (válvula ou transistor) conduz durante menos do que 180 graus do sinal de entrada. Apresenta alto rendimento (acima de 75%), mas somente pode ser usado em circuitos ressonantes;
- Classe D — operam modulando a largura de pulsos (PWM, "pulse width modulation"), em função da amplitude do sinal original, sobre o dispositivo eletrônico de saída (válvula ou transistor). Esses pulsos, obrigatoriamente, passam por filtros que (quase) restituem a forma original analógica do sinal. Apresentam maior rendimento que os anteriores (acima de 90%);
- Classe E — semelhante ao de classe D, no funcionamento e resultado, explora melhor o desempenho dos componentes modernos, permitindo uma simplificação no circuito, em relação àquele;
- Classe F — semelhante ao de classe C, é dotado de filtros ainda mais elaborados, que proporcionam alta eficiência (acima de 80%) e alta potência de saída. Usado em aplicações de radiofrequência (RF) e micro-ondas (MO);
- Classe G — Trabalha com dois níveis de tensão ou mais, aplicados nos dispositivos de saída (de quatro para mais). Quando o sinal de entrada é fraco, apenas dois dispositivos funcionam, como se fosse classe B, ou AB. À medida em que o sinal aumenta, os outros dispositivos são acionados. Essa variação permite menor dissipação e maior eficiência, se comparado ao de classe AB tradicional (pode chegar a 85%);
- Classe H — Opera de forma semelhante ao de classe G. Entretanto, os transístores são conectados de forma paralela, e não em série.
Ver também
- Alto falante
- Caixa acústica
- Crossover (divisor de frequências)
- Efeito sonoro
- Gravação e reprodução sonora
- Pedal de guitarra
- Pré-amplificador
Referências
- ↑ Verhoeven CJM, van Staveren A, Monna GLE, Kouwenhoven MHL e Yildiz E (2003). Structured electronic design: negative feedback amplifiers. Boston/Dordrecht: Kluwer Academic. 10 páginas. ISBN 1-4020-7590-1
- ↑ FONSECA, José (2013). Amplificadores Valvulados para Guitarra Elétrica. Brasília,DF: Independente. 346 páginas. ISBN 9788591488407. Consultado em 2 de novembro de 2016. Arquivado do original em 4 de novembro de 2016
Bibliografia
- CASTRO, L. F. (2007). Otimização de Amplificadores Classes E/F em tecnologia CMOS utilizando-se Algoritmo Genético e Técnica de Equilíbrio Harmônico. Dissertação de Mestrado em Engenharia Elétrica. Publicação PPGENE.DM-301/2007, Departamento de Engenharia Elétrica, Universidade de Brasília, Brasília, DF, 149p.
.jpg)
.jpg)
.png)

