Bobina de Tesla

Bobina de Tesla em Questacon, na Austrália, no National Science and Technology Centre museum.

A bobina de Tesla é um transformador ressonante capaz de gerar uma tensão altíssima com grande simplicidade de construção, inventado por Nikola Tesla por volta de 1890.[1]

Descrição

Na forma mais usual, é formada por um transformador com núcleo de ar, com um capacitor primário carregado a uma tensão de alguns (5-30) kV se descarregando sobre a bobina primária através de um centelhador.[1] A bobina primária possui poucas espiras de fio grosso (1-20), podendo ser cilíndrica, plana ou cônica, e é montada próxima à base da bobina secundária. O circuito secundário é formado por uma bobina secundária cilíndrica com por volta de mil espiras, montada centrada sobre a bobina primária, que ressona com sua própria capacitância distribuída e com a capacitância de um terminal montado no topo da bobina. Estas capacitâncias distribuídas dependem apenas da geometria do sistema, e formam a capacitância secundária. A base da bobina secundária é ligada à terra, ou a um condutor com grande capacitância distribuída, que serve como "contrapeso". Os circuitos primário e secundário são ajustados para ressonar na mesma frequência, usualmente na faixa de 50 a 500 kHz. O sistema opera de forma similar a dois pêndulos acoplados com massas diferentes, onde as oscilações a baixa tensão e alta corrente no circuito primário são gradualmente transferidas para o circuito secundário, onde aparecem como oscilações com baixa corrente e alta tensão. Quando se esgota a energia no circuito primário, o centelhador deixa de conduzir, e a energia fica oscilando no circuito secundário apenas, alimentando faíscas e corona de alta frequência.[carece de fontes?]

Uma bobina de Tesla caseira.

A alta tensão em alta frequência no secundário pode gerar um campo elétrico alto o suficiente para ionizar o ar (30 kV/cm), e uma vez que a ionização se inicie, ela se propaga na forma de faíscas elétricas (se existir algum condutor próximo) ou corona.[2] A energia disponível é o fator mais importante, e ela depende da capacitância do terminal. A energia que fica armazenada na capacitância distribuída da bobina secundária não é disponível imediatamente, e pouco contribui para os “streamers”.[2]

Desempenho

Bobinas de Tesla alcançam 250 kV com relativa facilidade, e algumas chegam a 1,5 MV ou mais.[carece de fontes?]

Usos

Bobinas de Tesla já foram usadas em transmissores de rádio primitivos, dispositivos de eletroterapia e geradores de alta tensão para aplicações em física de altas energias. A aplicação mais comum atualmente é para demonstrações sobre eletricidade em alta tensão, gerando faíscas elétricas que podem ter vários metros de comprimento.[carece de fontes?]

Física do mecanismo

Sendo L1, C1 a indutância e a capacitância do circuito primário e L2, C2 o mesmo do circuito secundário, a máxima tensão de saída (ignorando perdas) pode ser obtida, pela conservação da energia, como:

Vsaida = Vinicial √(C1/C2) = Vinicial √(L2/L1)

A sintonia na mesma frequência implica L1C1 = L2C2.

O coeficiente de acoplamento entre as bobinas primária e secundária tem valores ideais, ignorando perdas, que são da forma k = (b2-a2)/(b2+a2), onde a e b são inteiros com diferença ímpar, como a:b = 1:2, 2:3, 5:8, etc., que definem o modo de operação. Esses valores resultam em transferência completa de energia em b semiciclos de oscilação. Isto é crítico apenas em bobinas construídas para transferência rápida de energia, como no modo 1:2, que resulta em k = 0.6 e transferência em um ciclo. Em bobinas feitas para demonstrações, coeficientes de acoplamento por volta de 0,1 são o usual, modo 9:10, com transferência em cinco ciclos.

Uma representação da Bobina de Tesla é representada abaixo:

Ilustração de uma Bobina de Tesla

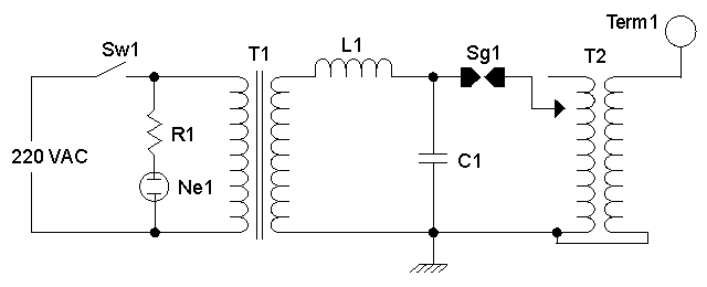
Esquema elétrico

O esquema elétrico de uma bobina de Tesla é bastante simples e funciona da seguinte forma: a tensão de alimentação é elevada de 110 ou 220 V para algo em torno de 6 a 10 kV. O circuito ressonante formado por L1 e C1 eleva ainda mais essa tensão, sendo capaz de gerar uma tensão de faiscamento em Sg1. O princípio do faiscamento é importante pois sendo ele um impulso de energia, ele é rico em altas frequências, capazes de sintonizar as altas frequências da bobina de Tesla em T2 que nada mais é que outro transformador elevador de tensão atrelado a um circuito ressonante imaginário, formado pelas capacitâncias parasitas de T2 e pela capacitância própria esfera de irradiação em Term1. O ajuste fino da frequência de ressonância é feito através de um tap na bobina primária do transformador T2.

Esquema Elétrico de uma Bobina de Tesla

No exemplo acima:

  • Sw1 = interruptor simples;
  • R1 = 33 k;
  • Ne1 = Lâmpada de Neon;
  • T1 = Transformador de 6 kV, utilizado para iluminação de fachadas Neon;
  • L1 = Indutor de 2,5 mH de alta tensão e alta frequência;
  • C1 = Capacitor de alta tensão, formado por lâminas de metal isoladas por placas de vidro;
  • Sg1 = Faiscador ajustável;
  • T2 = Bobina de Tesla;
  • Term1 = Esfera de Irradiação de Alta Tensão.

Referências

  1. a b "Bobina de Tesla" por Luiz Ferraz Netto (Acesso em 07 de abril de 2013)
  2. a b MOREIRÃO DE QUEIROZ, Antonio Carlos (28 de Fevereiro de 2003). «A Classical Tesla Coil with Top Load Tuning». ufrj. Consultado em 22 de Setembro de 2014 

Ligações externas