Simulink
Simulink, desenvolvido pela companhia MathWorks, é uma ferramenta para modelagem, simulação e análise de sistemas dinâmicos.[1] Sua interface primária é uma ferramenta de diagramação gráfica por blocos e bibliotecas customizáveis de blocos. O software oferece alta integração com o resto do ambiente MATLAB. Simulink é amplamente usado em teoria de controle e processamento digital de sinais para projeto e simulação multi-domínios.
Acessórios
Existem diversos produtos adicionais tanto da Mathworks quanto de companhias terceiras disponíveis para o uso com Simulink.
Geração de código
Junto com Real-Time Workshop (em inglês), outro produto da The MathWorks, o Simulink pode também gerar código C automaticamente para implementação de sistemas em tempo real. Com o aumento da eficiência e da flexibilidade desta ferramenta, ela é cada vez mais adotada em sistemas de produção e no projeto de sistemas embarcados pela sua flexibilidade e capacidade de rápida iteração. O código criado pelo Real-Time Workshop é eficiente o bastante para ser empregado em sistemas embarcados.
Simulink vs. Matlab
Do ponto de vista de ferramental, os dois software formam um; ver [2] para um exemplo do mesmo problema resolvido usando as duas opções. A vantagem do Simulink comparado ao Matlab nasce na facilidade de usar; similar ao Arena. Em vez de códigos escritos como texto, o usuário trabalho com "blocos", como legos. Tudo pode ser feito com blocos, alguns blocos permitem "esconder" rotinas complicadas. De forma adicional, o programa pode ser "rodado" do Matlab, em apenas um conjunto de linhas. Abaixo segue um exemplo de como "chamar" um modelo usando m-file, os arquivos padrões do Matlab. [2]
%% Simulation
sim('Leptin_model_set_point',t_stop);
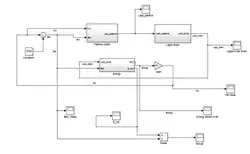
Exemplos: imagens

Referências
- ↑ Ashish Tewari. Modern Control Design With MATLAB and SIMULINK. JOHN WILEY & SONS, LTD. 2002.
- 1 2 3 Pires, JG. Mathematical Physiology, Mathematical Biology, and Biomathematics: leptin and the weight control mechanisms. v. 6, n. 3 (2015). http://gestaoesaude.unb.br/index.php/gestaoesaude/article/view/1372 Arquivado em 12 de abril de 2016, no Wayback Machine.. MATERIAIS SUPLEMENTARES (PRIMEIRA PARTE)
Ligações externas
- Página do produto em mathworks.com (em inglês)
- SimPowerSystems (em inglês)
- Introduction to Simulink, por HANS-PETTER HALVORSEN, 2011.06.06. Acessado em 12 Abril 2016.