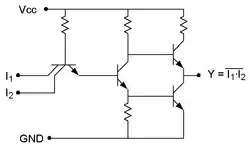
Lógica transistor-transistor
Lógica transistor-transistor (em inglês, Transistor-Transistor Logic ou simplesmente TTL) é uma classe de circuitos digitais montados a partir de transistores de junção bipolar (BJT) e resistores. Esta é chamada de lógica transistor-transistor pois ambas as suas funções de porta lógica (AND ou OR, por exemplo) e de amplificação são realizadas por transistores (em contraste com a lógica Resistor-Transistor - RTL; e a lógica Diodo-Transistor - DTL).
O TTL é notável por ser uma família difundida de circuitos integrados (CI) usada em muitas aplicações, como computadores; controle industrial; teste de equipamentos e instrumentos; eletrônica de consumidor; sintetizadores; entre outros. A designação TTL é às vezes usada para se referir à níveis lógicos compatíveis com TTL, mesmo quando não está associada diretamente com essa classe de circuitos integrados, sendo usada, por exemplo, como um rótulo nas entradas e saídas de instrumentos eletrônicos.[1]
Visão geral
Depois de sua introdução na forma de circuito integrado em 1963 por Sylvania, circuitos integrados TTL foram manufaturados por várias companhias de semicondutores, com a série 7400 (também chamada de 74xx) da Texas Instruments se tornando particularmente popular. Manufaturadores de TTL ofereceram uma ampla gama de portas lógicas, flip-flops, contadores, entre outros circuitos. Diversas variações do conceito bipolar TTL original foram desenvolvidas, rendendo circuitos com maior velocidade ou menor dissipação de potência para permitir a otimização de um design. Aparelhos TTL eram originalmente feitos em pacotes de cerâmica e plástico duplo-em-linha (DIP); e na forma flat-pack. Chips TTL agora são também feitos em pacotes de montagem em superfície.
Circuitos TTL têm um design de sistema simplificado quando comparados a famílias lógicas mais novas, oferecendo velocidade superior à RTL. O design da entrada e das saídas das portas TTL permitiram muitos elementos serem interconectados.
Estes circuitos têm como principal característica a utilização de sinais de 5 volts para níveis lógicos altos. Os seus circuitos integrados são constituídos basicamente de transistores, o que os torna pouco sensíveis à eletricidade estática.
O TTL se tornou a fundação de computadores e outros aparelhos eletrônicos digitais. Mesmo depois de circuitos integrados de uma escala muito maior fazerem processadores de múltiplas placas de circuito se tornarem obsoletos, aparelhos TTL ainda encontram uso extensivo como componentes integrados de "lógica de cola mais densa".
História
O TTL se tornou popular com sistemas criados em 1962. Posteriormente, a Texas Instruments introduziu a série 7400 de Circuitos Integrados, que tinha uma grande quantidade de funções lógicas através de vários CI's; e a Sylvania Produtos Eletrônicos introduziu uma família equivalente. A Texas Instruments se tornou a indústria pioneira, mas os TTL são fabricados pela Motorola, Signetics, SGS-Thomsom, National Semicondutor e muitas outras companhias. Os TTL se tornaram importantes pelo seu baixo custo e pela sua praticidade.
O Kenbak-1 foi o primeiro computador pessoal, usando TTL na sua CPU, formando um microprocessador, o que não existia em 1971.
De acordo com o inventor, o componente mais caro de tal computador era sua memória e não o processador.
Funções
Cada circuito integrado executa uma função separada, como:
- Portas lógicas: como AND, OR, NAND, NOR, XOR, XNOR e NOT
- Flip-flops
- Latch
- Contadores Ripple, simultâneos, decimais e hexadecimais
- Somadores, multiplicadores e unidades lógicas e aritméticas (ULAs)
- Registradores de deslocamento
- Circuitos cronômetros
Referências
- Jacob Millman, "Microelectronics Digital and Analog Circuits and Systems", McGraw-Hill Book Company, New York, 1979 ISBN 0-07-042327-X
- Paul Horowitz and Winfield Hill, "The Art of Electronics 2nd Ed. " Cambridge University Press, Cambridge, 1989 ISBN 0-521-37095-7
- Don Lancaster, "TTL Cookbook", Howard W. Sams and Co., Indianapolis, 1975, ISBN 0-672-21035-5
- The Engineering Staff, "The TTL Data Book for Design Engineers", 1st Ed., Texas Instruments, Dallas Texas, 1973, no ISBN
- Fairchild Semiconductor, "Application Note 368" (for relative ESD sensitivity of TTL and CMOS)
- ↑ Eren, Halit (16 de outubro de 2003). Electronic Portable Instruments: Design and Applications (em inglês). [S.l.]: CRC Press