Voltímetro

O Voltímetro, também chamado de voltómetro (português europeu) ou voltômetro (português brasileiro) derivada da composição Volt, (unidade de medida da tensão, a qual teve sua origem em homenagem ao italiano físico e químico Alessandro Giuseppe Antônio Anastásio Volta(1745-1827), pelos seus estudos sobre potencial elétrico e força eletromotriz); e metro, do grego μέτρον, metron, que significa medir. O voltímetro é um aparelho utilizado para medir diferença de potencial entre dois pontos de um circuito elétrico. Ele pode ser apresentado de duas categorias, digital e analógica. Tais categorias fazem referência a forma de medição, sendo o digital através de um processamento da ddp entre os seus dois pinos e o analógico o uso desta ddp para mover um ponteiro. O voltímetro analógico é basicamente um galvanômetro, aparelho sensível a variações elétricas, com uma alta resistência elétrica. Já o voltímetro elétrico, geralmente contido em um multímetro, funciona através de sensores e algoritmos para adquirir o valor da ddp do circuito. A parte interna do voltímetro pode ser feita de uma bobina móvel (semelhante ao galvanômetro), de ferro móvel, e até osciladores de raios catódicos podem exercer a função de um voltímetro. Não confundir com voltâmetro.
Símbolo
A simbologia que o voltímetro admite nos diagramas de circuito é um V ou um R envolto de um círculo tracejado, com duas linhas emergentes que representam os pontos de medição.

Voltímetro de bobina móvel
Sua aparelhagem é a mesma de um galvanômetro. Consiste em uma bobina móvel giratória montada em um campo de um ímã permanente, onde a corrente elétrica é alternada. Esta é levada até a bobina por meio de molas espirais, as quais desenvolvem o conjugado de oposição ao deslocamento da bobina. Tanto rotação da bobina com a deflexão do ponteiro são proporcionais à corrente, fazendo com que os intervalos sobre a escala estejam igualmente distanciados. Quando ocorre inversão do sentido de circulação da corrente, também há a inversão da rotação da bobina ou da deflexão do ponteiro. Desta forma um voltímetro de bobina móvel é apenas usado para medição de tensão ou corrente contínua.
Voltímetro de ferro móvel
Neste tipo de aparelhagem há uma chapa de ferro fixa posta em oposição a uma chapa móvel na parte interna da bobina. Havendo circulação de corrente, ambas as chapas serão magnetizadas identicamente em relação aos polos resultantes, as quais se repelirão. Mesmo que haja a inversão do sentido de circulação da corrente, as chapas continuarão magnetizadas identicamente, e se repelindo. Dessa forma, esta aparelhagem é adequada para medir tanto corrente quanto tensão, em corrente contínua e em alternada.
Osciladores de raios catódicos
Estes permitem medir a dependência temporal de tensões. Essa dependência é visualizada em um tubo de raios catódicos, onde um feixe de elétrons produzido por um filamento aquecido é acelerado por uma fonte de alta tensão. O sistema de deflexão constituído por placas paralelas desvia o feixe. A visualização da variação temporal é obtida por uma tela fosforescente que se ilumina no ponto onde o feixe de elétrons colidem. Essa tela possui divisões para facilitar a leitura e medidas quantitativas.
Voltímetro analógico
Um voltímetro analógico é um instrumento de medição de tensão que utiliza o galvanômetro como sensor. O que caracteriza um voltímetro é a associação em série de um resistor a esse galvanômetro, o que possibilita medir uma ddp (diferença de potencial) maior do que a tensão de fundo de escala do galvanômetro, ou seja, ocorre uma potencialização da medida de ddp do galvanômetro.
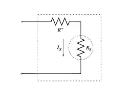
O resistor adicionado também é considerado como um “divisor de tensão”, pois a tensão entre os terminais fica dividida entre o galvanômetro e o resistor como mostrado na imagem abaixo, considere R’’ como o resistor adicionado e Rg o galvanômetro.

O cálculo para a adição do melhor R’’ possível deve levar em conta a ddp máxima que se pretende medir. Essa operação se baseia na lei de ohm e na tensão aplicada ao aparelho, o que provoca queda de potencial, em ambos componentes.
Se considerarmos que a corrente (de fundo de escala) e a resistência interna do galvanômetro sejam respectivamente Ig e Rg; e quiser que uma tensão máxima (Vmax) seja medida no fim da escala, o valor do resistor (R’’) será calculado pela razão entre a tensão máxima e a corrente do galvanômetro, menos a resistência do mesmo. Segue a fórmula a seguir:
R’’ = (Vmax/Ig)-Rg
Dada à lei de ohm, para medir a tensão máxima suportada pelo voltímetro, e se considerarmos Igmax corrente máxima permitida pelo galvanômetro teremos a seguinte expressão:
Vmax = (R’’ + Rg)*Igmax
Como o voltímetro é utilizado para medir a diferença de potencial de um elemento do circuito, cada terminal do aparelho deve ser conectado em paralelo com esse mesmo elemento, por exemplo, em uma tomada é conectado cada polo do aparelho a uma entrada da tomada.
Os voltímetros porém causam alterações no circuito, sendo que o único jeito de não causar seria ter uma resistência infinita para não drenar a corrente do circuito. Esse voltímetro seria chamado de ideal, entretanto os voltímetros reais não tem essa característica e para minimizar esse efeito eles apresentam uma resistência interna muito alta, o que causa alterações desprezíveis no circuito.
Há ainda um último ponto a ser levado em conta, não se deve usar uma escala de medida no voltímetro menor do que a tensão do circuito a ser mensurado, pois isso causará danos ao galvanômetro, o que pode acarretar no mal ou no não funcionamento do aparelho. O recomendado seria usar a maior escala do voltímetro, e ir diminuindo na medida do possível, pois uma medição realizada numa escala muito alta de uma ddp muito baixa não teria precisão alguma, tendo assim que calibrar o aparelho para uma escala ideal.
VTVM e FET-VM
A sensibilidade e a resistência de entrada de um voltímetro podem ser aumentadas se a corrente necessária para mover o ponteiro do medidor é fornecida por uma fonte de energia que não seja o circuito no qual o teste é aplicado. O amplificador eletrônico entre a entrada e o medidor proporciona dois benefícios; Um robusto instrumento de bobina móvel pode ser usado, uma vez que sua sensibilidade não precisa ser alta, e a resistência de entrada pode ser aumentada, reduzindo a corrente extraída do circuito sendo testado. Voltímetros amplificados geralmente têm uma resistência de entrada de 1, 10 ou 20 megaohms, independentemente do alcance selecionado.
Uma forma popular desse instrumento usava um tubo de vácuo dentro do circuito amplificador e então foi chamado de VTVM (Vacuum Tube Voltmeter, do inglês Voltímetro de Tubo de Vácuo). Os VTVM eram quase sempre alimentados pela rede local AC (Alternating Current, do inglês corrente alternada), e portanto não eram particularmente portáteis. Atualmente esses circuitos utilizam um amplificador de estado sólido, usando transistores de efeito de campo, consequentemente FET-VM (Field-Effect Transistors Voltmeter, do inglês Voltímetro de Transistores de Efeito de Campo), que aparecem nos multímetros digitais de mão, assim como em instrumentos de mesa e laboratório.
A maioria dos VTVM e FET-VM suportam corrente DC (Direct current, do inglês corrente direta), AC (corrente alternada), e medições de resistência; Os FET-VM modernos adicionam medições de corrente e por vezes outras funções a mais. Uma forma especializada do VTVM ou FET-VM são os voltímetros AC, instrumentos utilizados para medição de voltagem da corrente alternada. Eles têm uma largura de banda muito maior, e uma sensibilidade mais aguçada que a dos dispositivos multifuncionais comuns.
Efeitos no circuito
Todo voltímetro afeta o circuito que está sendo medido de alguma maneira. Enquanto algum impacto é inevitável, ele pode ser minimizado através de um medidor bem projetado.
Como o voltímetro é sempre conectado em paralelo com o componente a ser testado, qualquer corrente que passe por dele provocará alterações na corrente do circuito, potencialmente afetando a tensão elétrica medida. Um voltímetro ideal tem resistência infinita para que ele não desvie corrente do circuito em teste. Por exemplo, em um Divisor de tensão, a resistência interna do medidor pode alterar a proporção das resistências do circuito, o que pode afetar a tensão a ser medida.
No caso de voltímetros analógicos, quanto menos corrente o dispositivo necessitar para mover o ponteiro, menor seu efeito sobre o circuito. Neles, a resistência entre seus terminais pode mudar dependendo da faixa de medição selecionada, o que também afeta no quanto o circuito será impactado. Já os digitais geralmente tem uma resistência interna fixa que independe da faixa de medição.
Para reduzir os efeitos no circuito, pode-se, no caso do voltímetro analógico, projetá-lo de forma que se minimize a corrente necessária para movimentar a agulha. Outra maneira é amplificar eletronicamente a corrente para mover o ponteiro através de um amplificador para minimizar a corrente do circuito desviada ao voltímetro.
Voltímetro Digital

Ver também
Referências
- Laboratório de Eletricidade e Magnetismo: “Instrumentos de Medidas Elétricas I: Voltímetros, Amperímetros e Ohmímetros”, INSF(USP), http://www.ifsc.usp.br/~strontium/Teaching/Material2010-2%20FFI0106%20LabFisicaIII/08-InstrumentosdeMedidasEletricas-I.pdf . Consultado em 25 de março de 2017
- Lessons in electric circuits vol.1 chapter 8 dc metering circuits.ISBN 9781907653087. Consultado em 26 de março de 2017
- WIRTH LIMA JÚNIOR, Almir. Instrumentos de Medição: Voltímetro. In: WIRTH LIMA JÚNIOR, Almir. Eletricidade e Eletrônica Básica. 4. ed.Rio de Janeiro: Alta Books Editora, 2013. p. 71-72. Disponível em: https://books.google.com.br/books?id=BlC2BAAAQBAJ&printsec=frontcover&hl=pt-BR&source=gbs_ge_summary_r&cad=0#v=onepage&q&f=false. Consultado em 11 de abril de 2017
- VOLTÍMETRO, Amperímetro e Ohmímetro: Princípios de funcionamento. [S.l.:s.n.] ,2007. Disponível em: http://www.fqm.feis.unesp.br/docentes/MarceloII/03-Principios_de_funcionamento.pdf. Consultado em 21 de abril de 2017.
- SOLANGE PIAZZA FERNANDES, Thelma. Capítulo 4. Medição de Grandezas Elétricas, [S.l.], p. 32-33. Disponível em: http://www.eletrica.ufpr.br/thelma/Capitulo4.pdf. Consultado em 11 de abril de 2017.
- http://www.ibiblio.org/kuphaldt/electricCircuits/DC/DC_8.html#xtocid33502. Consultado em 24 de abril de 2017.
- http://www.newtoncbraga.com.br/index.php/instrumentacao/78-artigos-diversos/4229-ins201.html. Consultado em 19 de abril de 2017.
- https://www.infopedia.pt/$voltimetro. Consultado em 22 de abril de 2017.
- http://doradioamad.dominiotemporario.com/doc/como_utilizar_um_multimetro_digital.pdf. Consultado em 24 de abril de 2017.
- http://www.pcs.usp.br/~labdig/pdffiles_2011/voltimetro.pdf. Consultado em 23 de abril de 2017.
- http://www.pcs.usp.br/~labdig/material/ABC_Mult.pdf. Consultado em 20 de abril de 2017.
- http://www.abraman.org.br/arquivos/28/28.pdf. Consultado em 25 de novembro de 2020.
- http://www.ifsc.usp.br/~strontium/Teaching/Material2010-2%20FFI0106%20LabFisicaIII/09-InstrumentosdeMedidasEletricas-II.pdf. Consultado em 25 de novembro de 2020.
- https://www.infopedia.pt/$voltimetro. Consultado em 25 de novembro de 2020.
- http://etimologias.dechile.net/?volti.metro. Consultado em 25 de novembro de 2020.