Oscilador Colpitts

O oscilador Colpitts é um circuito baseado no oscilador LC projetado por Edwin H. Colpitts. Trata-se de um oscilador de alta frequência que deve obter em sua saída um sinal de frequência determinada por uma bobina ou por um cristal de quartzo, sem que exista uma entrada.[1][2][3]
A bobina empregada neste oscilador não tem derivação. A frequência de operação do circuito vai ser determinada pela indutância da bobina ou frequência do cristal e pelos valores dos capacitores. Um oscilador como este pode gerar sinais que vão desde a faixa de áudio até algumas dezenas de megahertz. O rendimento do circuito é bom, porém menor que o Hartley.[2]
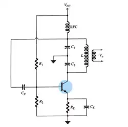
Podemos encontrar diversas variações do oscilador Colpitts. Uma maneira de reconhecer esse circuito é através do divisor de tensão capacitivo formado por C1 e C2. Esse divisor de tensão capacitivo produz a tensão de realimentação necessária para as oscilações. Em outros tipos de osciladores, a tensão de realimentação é produzida por transformadores, divisores de tensão indutivos,etc.[1][2]
Características
- Faixa de frequências: alguns hertz a 50 MHz
- Tensão de alimentação: 3 a 40 V com transistores
- Sinal gerado: senoidal
- Potência de saída: de mW a alguns watts
Tipos


As variações deste circuito podem ser obtidas com a alteração da configuração do elemento ativo (transistor ou circuito integrado).
Oscilador Colpitts com transistor bipolar (TBJ)
Neste exemplo, o transistor está na configuração de emissor comum, mas podemos modificar a configuração conforme a faixa de frequências geradas.[2]
Por exemplo, na configuração de base comum temos uma redução dos efeitos das capacitâncias de base do transistor o que permite alcançar frequências bem mais elevadas do que nas outras configurações.[2]
A frequência de ressonância é calculada através da seguinte fórmula:[4]
Lembrando que
C é a série entre C1 e C2.[1][2]
- Oscilador Colpitts com FET
A diferença deste oscilador em relação ao anterior é a alta impedância do gate (comporta) que não sobrecarrega a bobina. Além disso, o FET amplifica frequências altas com ganho superior ao dos transistores bipolares. Sua frequência de ressonância pode ser calculada da mesma maneira do Colpitts usando transistor bipolar.[1][2]
Referências
- ↑ a b c d «Osciladores de Colpitts». Electricity - Magnetism
- ↑ a b c d e f g Braga, Newton C. «Como funcionam os osciladores - Oscilador Colpitts». Instituto NCB
- ↑ Braga, Newton C. «Osciladores controlados por cristal». Instituto NCB
- ↑ Braga, Newton C. «Oscilador de Colpitts (cálculo)». Instituto NCB