Motor em X
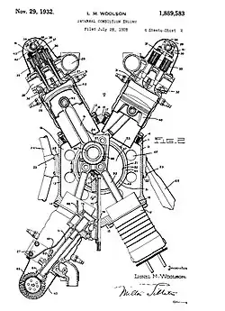
Em Engenharia Mecânica, motor em X é uma configuração de motor a explosão onde o motor possui quatro fileiras de cilindros com um único virabrequim.
Os motores em X são geralmente construídos a partir da união de dois motores em V, com o uso de um único virabrequim. Esta configuração tem como principal vantagem a possibilidade de compartilhar uma grande quantidade de componentes com os motores em V.
Utilização
Esta configuração é bastante incomum, sendo considerados o antecessores dos motores em estrela. Seu uso ocorreu principalmente em aviões, até a Segunda Guerra Mundial, quando passou a predominar o uso de motores radiais.

Referências
- ↑ «Título ainda não informado (favor adicionar)». www.google.co.in

