Motor Dahlander

Motor Dahlander é um motor elétrico trifásico que permite seu acionamento em duas velocidades distintas. As velocidades, que estão relacionadas ao número de rotações no motor, são conseguidas com a estruturação dos enrolamentos do estator deste motor em dois conjuntos promovendo uma relação de 1:2. Ou seja, em uma forma de ligação o número de pólos é duas vezes maior que a outra. Apesar de já se ter grande desenvolvimento de equipamentos auxiliares para a variação da velocidade de motores elétricos, o uso do Motor Dahlander ainda é viável economicamente para aplicações onde se deseja apenas uma mudança discreta das velocidades.[1]
Constituição do motor
O Motor Dahlander tem em seu estator seis bobinas, que podem-se combinar de duas formas: estrela/triângulo e dupla estrela.
A ligação Dahlander permite uma relação de polos de 1:2, o que corresponde a mesma relação de velocidade. Quando a quantidade de polos é maior, a velocidade é mais baixa e quando são menos polos, a velocidade é mais alta. Como fórmula temos: n = 120.f/ p , onde n = velocidade , p o número de pólos, s = escorregamento e f a frequência.
Existem três tipos de arranjos de ligação, que fornecem três situações: Conjugado constante, Potência constante e Conjugado variável. A escolha depende do tipo de carga que será acionada. Por exemplo: nas bombas centrífugas e ventiladores, o conjugado aumenta quadraticamente com a velocidade, portanto é variável.
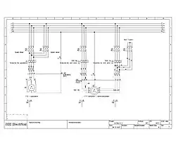
No circuito de comando deve estar previsto o intertravamento elétrico entre os contatores que se energizados juntos causam curto circuito e se possível até intertravamento mecânico..
Igual cuidado deve ser tomado nos serviços de montagem, evitando-se inversões que podem causar curtos circuitos, sentidos de rotação diferentes entre a alta e a baixa velocidade que pode causar avarias mecânicas nos equipamentos.
Outra observação é com relação aos reles térmicos que como aparece no diagrama de circuito de força, são dois. Isso decorre da necessidade de ajustes de corrente diferente e devido mudar o lado de alimentação, quando então o térmico não tem mais função.
Velocidades
As velocidades mais utilizadas em 60Hz na conexão Dahlander são : Velocidades 450 / 900; 900 / 1800; 1800 / 3600 (RPM), XVI e VIII pólos; VIII e IV pólos; IV e II pólos respectivamente.
Se conectamos os enrolamentos em estrela ou em triângulo, a velocidade vai ser a menor, e se conectamos em dupla estrela a velocidade vai ser o dobro. Sendo assim, a potência absorvida pelo motor na conexão em dupla estrela é o dobro da absorvida na conexão em estrela e a potência absorvida em dupla estrela, é em torno de 15% a mais do que a potência absorvida na conexão triângulo [2]. Além disso, o rendimento em velocidade alta é superior do que na velocidade baixa.
Usos do motor Dahlander
Este tipo de motor é muito usado para guindastes, guinchos, transportadores, máquinas e equipamentos em geral e outras aplicações que requerem motores assíncronos de indução trifásico com duas velocidades. As tensões disponíveis para estes motores são: 220 V, 380 V e 440 V. [3]. (WEG,2010).
Referências
- ↑ Moro, C.F.(2007). Acionamentos controlados. Pág. 21.
- ↑ (em castelhano) PLC Madrid. Portal del Instalador Electricista. Ficha de Consulta rápida No. 1402000109-10-11.
- ↑ (em castelhano) Industrias WEG. Doble Velocidad - Dahlander 8/4 polos Par Variable.