Interruptor unilateral de silício
O interruptor unilateral de silício, conhecido pela sigla SUS (do original inglês "silicon" unilateral "switch"), é um dispositivo de três terminais (ânodo, cátodo e comporta) que conduz numa única direção de ânodo a cátodo, quando a voltagem no primeiro é maior que no segundo. Apresenta características eléctricas muito similares à de um diodo de quatro capas; no entanto, a presença do terminal de comporta permite-lhe controlar a sua voltagem de disparo. Pelo seu carácter unidirecional é utilizado para o controle de SCR´s e para o controle da TRIACS.
Ass: Paulo Wictor Torres[1]

Estrutura e Simbologia
Este dispositivo apresenta quatro capas de materiais semicondutores. No ânodo tem-se o terminal de comporta e um diodo Zener de baixa voltagem, entre os terminais de comporta e cátodo. Por esta razão, muitas vezes é representado como um tiristor de porta de ânodo, que se associa o Zener.

Comportamento
Este dispositivo começa a conduzir quando a voltagem entre Ânodo e Cátodo atinge um valor Vs, normalmente entre 6 a 10V. Em seguida, a voltagem cai, dependendo da corrente de condução. Há que destacar que este dispositivo seguirá conduzindo enquanto se mantenha uma voltagem acima de 0.7V e a corrente de condução não caia para menos que a corrente de manutenção IH (aproximadamente 1.5mA). No caso que se dê uma polarização inversa este dispositivo não conduz, no entanto tem um limite de voltagem inversa chamado VR o qual pode estar pela ordem dos 30V. Para voltagens superiores, o dispositivo não suportará.[2]
Efeito da comporta
Se aplicamos uma diferença de potencial entre a comporta e o cátodo pode-se modificar consideravelmente a curva de operação do SUS. Uma das formas mais clássicas de fazer isto é mediante um diodo zener, entre a comporta e o cátodo. Desta forma, a voltagem de Disparo (Vs) fica definido por:
Vs = Vz + 0.6 V
Do observado até agora poderíamos dizer que o SUS é similar ao UJT, no entanto, o SUS se dispara a uma tensão determinada pelo diodo zener, e a sua corrente Is (corrente de activação) resulta maior e muito próxima a IH (corrente de manutenção). Estes Dados limitam a frequência de trabalho do elemento para valores altos e baixos.[3]
Disparador de Tiristores em geral

Por meio de uma configuração RC, pode-se utilizar este dispositivo para disparar tiristores como o SCR e também TRIAC. Se carregamos um condensador por médio de uma resistência variável de tal forma que o condensador alcance a voltagem de disparo do SUS num tempo RC, quando esta voltagem é atingida o condensador descarregar-se-á por médio do SUS. Desta forma produzir-se-á um pulso em voltagem numa resistência, a qual estará ligada à comporta de Tiristor. Este pulso será de muito curta duração já que só se mantém enquanto o condensador entrega uma corrente maior à de manutenção e, como sabemos, nestes dispositivos esta corrente é bastante elevada. A resistência variável permite-nos variar o tempo de ónus do condensador e com isso o tempo de disparo. Para utilizar esta configuração é fundamental o parâmetro Vo, que é a voltagem pico produzido por SUS na resistência, este factor é crucial já que se não se tem a suficiente potência não poder-se-á activar o tiristor.[4]
Disparador de TRIAC

Um circuito para controle de TRIAC por meio de SUS (Ver Figura) funciona da seguinte forma. Uma fonte AC ligada a uma ponte rectificadora, entrega uma voltagem rectificada a um condensador C, Esta voltagem tenderá a seguir a voltagem da ponte com um atraso de posição, determinado por uma resistência de carga R2 em série com o condensador. Em algum momento do semi-ciclo a voltagem do condensador atingirá a voltagem de disparo do SUS, ao atingir esta voltagem o SUS dispara-se e permite que o condensador se descarregue através do enrolamento primário de um transformador. Esta descarga do condensador C1 produz um impulso de corrente no enrolamento primário do transformador até que o condensador se descarregue no ponto de não poder entregar uma corrente igual ao de manutenção SUS. No secundário produz-se uma corrente que vai directo à comporta do TRIAC, a qual o activa. Cabe destacar que a corrente vai saindo da comporta; isto se consegue investindo o secundário, isto permite que o TRIAC se dispare no segundo e terceiro quadrante, isto é para uma corrente negativa e polarização directa e inversa de terminais. Se não se colocasse o SUS, os ângulos de disparos seriam diferentes entre os semi-ciclos positivos e negativos da carga, já que recordemos que o TRIAC se liga dependendo da polarização de seus terminais e do sentido da corrente em sua base. No entanto, como o SUS gera um pulso que evita que o TRIAC detecte uma curva suave de elevação de corrente e com isso que se dispare em ângulos diferentes.
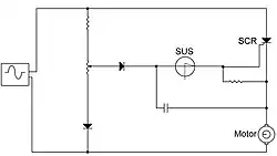
Disparo de SCR

Neste circuito de figura "ontrole de SCR", volta-se a observar a configuração RC para controlar o tempo de disparo do SUS. Este ao disparar-se ativa o SCR, no entanto, diferente de TRIAC, este se desativa para o semi-ciclo negativo, já que pela presença dos diodos só se dispara o SUS e com isso o SCR para o semi-ciclo positivo.
Folha de dados
A seguir, apresentam-se os critérios relevantes que podemos encontrar no datasheets de SUS, os valores mostrados são para a família 2N4987, 2N4989, 2N4989 e 2N4990[5]
- Tensão de disparo Vs = 6 a 10
- Corrente no momento de disparo Is= 0.5 mA
- Tensão de Mantimento VH = aproximadamente 0.7 ou 25º C
- Corrente de manutenção IH = 1.5 mA Max.
- Caída de tensão directa (para If = 200mA) = 1.75V
- Tensão Inversa VR = 30V
- Pico dos impulsos V0=3.5 V min
- Temperatura de junta Tj -65 a 125º C
Destes critérios observa-se que este dispositivo opera para baixos valores de corrente e de voltagem, de facto, a máxima corrente que este dispositivo maneja não é mais de 1 A.
Referências
Ligações externas
- Datasheet 2N4987, 2N4989, 2N4989 e 2N4990.
- DISPOSITIVOS DE DISPARO.