Imogolite

Imogolite
Imogolite
Solo imogollítico (castanha) com fragmentos de filme transparente de imogolite
Categoria Filossilicatos (mineral de argila)
Classificação Strunz 9.ED.20
Cor Branco, azul, verde, castanho, cinzento
Fórmula química Al
2
SiO
3
(OH)
4
Propriedades cristalográficas
Sistema cristalino Tetragonal
Grupo espacial desconhecido
Hábito cristalino Massas concoidais a terrosas de partículas microscópicas semelhantes a fios e feixes de tubos finos, cada um com cerca de 20 Å de diâmetro.
Propriedades ópticas
Índice refrativo n= 1,47–1,51
Birrefringência A imogolite é um cristal com forte concentração na água
Propriedades físicas
Densidade 2,0-2,7
Dureza 1,5 - 2 (dureza de Mohs)
Clivagem ausente
Brilho Vitroso, resinoso, ceroso
Risca Branca
Referências [1][2][3][4]
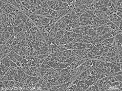
Micrografia mostrando os nanotubos de uma imogolite sintética.

Imogolite (ou imogolita) é um mineral de argila do grupo das alofanas, constituído por silicatos de alumínio hidratados, com a fórmula química ideal Al
2
SiO
3
(OH)
4
, que ocorre em solos formados pela meteorização e alteração de cinzas vulcânicas.[1][5][6][7]

Descrição

Foi descrito em 1962 pelos pedólogos japoneses Naganori Yoshinaga e Shigenori Aomine a partir de uma amostra recolhida em Uemura, prefeitura de Kumamoto, Kyūshū (Japão).[8][9] O nome tem origem na palavra japonesa イモゴ, imogo, que designa os solos amarelo-acastanhados derivados da alteração de cinzas vulcânicas. Ocorre em andossolos e noutros solos de origem vulcânica junto com alofanas, quartzo, cristobalite, gibbsite, vermiculite e limonite.[2]

A imogolite consiste numa rede de nanotubos com um diâmetro externo de ca. 2 nm e um diâmetro interno de ca. 1 nm. As paredes do tubo são formadas por folhas contínuas de Al(OH)
3
(gibbsite) e grupos de aniões de ortossilicato (O
3
SiOH). Devido à sua estrutura tubular, disponibilidade natural e baixa toxicidade, a imogolite tem aplicações potenciais em materiais compósitos poliméricos, armazenamento de gás combustível, absorventes e como suporte de catalisadores em produtos químicos de catálise.[10]

Estrutura

A estrutura atómica da imogolite foi publicada em 1972,[11] demonstrando que a imogolite apresenta uma forma tubular bem definida com um diâmetro monodisperso de aproximadamente 2 nm. Assim, a imogolite pode ser considerada como uma nanopartícula natural ou mesmo um nanomineral.

A imogolite apresenta uma estrutura nanotubular que consiste numa camada octaédrica de iões de alumínio na parte externa do tubo e uma camada tetraédrica de iões de silício na parte interna. Ao contrário da maioria dos minerais de argila, a camada tetraédrica não é composta de um conjunto de iões de silício compartilhando ligações Si-O-Si. Os átomos de silício estão ligados à camada octaédrica por três ligações Si-O-Al e estão isolados uns dos outros. Esta estrutura local muito particular é facilmente reconhecível por espectroscopia de RMN do silício.[12]

Síntese

Uma imogolite sintética, análoga química e estrutural à imogolite natural, foi produzida em laboratório em 1977,[13] muito antes de terem sido sintetizados pela primeira vez nanotubos de carbono em 1990. Desde então, muitas mudanças na estrutura e composição das imogolites sintéticas foram obtidas em laboratório, permitindo à ciência dos materiais explorar a grande diversidade de características físico-químicas e propriedades de integração com outros materiais e processos.

Em 1982 foi realizada uma síntese em que os átomos de silício foram substituídos por átomos de germânio,[14] que conduziu à obtenção de novos nanotubos análogos às imogolites, as Ge-imogolites. Desde então, muitas técnicas laboratoriais e industriais foram desenvolvidas para sintetizar Ge-imogolites em grandes quantidades,[15] de fazer variar a forma (parede simples ou dupla),[16] o comprimento dos tubos (micrométricos ou nanométricos)[17] e a sua cristalinidade (estrutuar lacunar).[18]

Estas Ge-imogolites de características variáveis ​​e síntese controlada têm permitido grandes avanços no entendimento dos mecanismos de formação das imogolitas e de outras argilas do grupo da alofanas, na busca de novas propriedades e no estudo da toxicologia e ecotoxicologia dos nanomateriais.

Em 2011 foi obtida por síntese na Universidade Politécnica de Turim, uma imogolite híbrida apresentando uma cavidade recoberta por grupos Si-CH3.[19]

Foram também sintetizados nanotubos de imogolite dopados com ferro para tubos à base de silício,[20][21] de germânio[22] e híbridos.[23]

Grupo das alofanas

A imogolite está incluída no seguinte grupo de minerais e mineraloides:

Al2O3•(SiO2)•(H2O)

  • Hisingerite

Fe2Si2O5(OH)4•2(H2O)

  • Imogolite

Al2SiO3(OH)4

  • Neotocite (ou neotokite)

(Mn,Fe)SiO3•(H2O)

  • Zinalsite

Zn2AlSi2O5(OH)4•2(H2O)

Ver também

Referências

  1. a b «Imogolite: Mineral information, data and localities». Mindat.org. Hudson Institute of Mineralogy. Consultado em 27 de junho de 2019 
  2. a b Anthony JW, Bideaux RA, Bladh KW, et al., eds. (1995). «Imogolite» (PDF). Handbook of Mineralogy. II (Silica, Silicates). Chantilly, VA, US: Mineralogical Society of America. ISBN 9780962209710 
  3. «Imogolite Mineral Data». Webmineral.com. Consultado em 27 de junho de 2019 
  4. Warr, L.N. (2021). «IMA–CNMNC approved mineral symbols». Mineralogical Magazine. 85 (3): 291–320. Bibcode:2021MinM...85..291W. doi:10.1180/mgm.2021.43Acessível livremente 
  5. J. P. Gustafsson, E. Karltun, P. Bhattacharya, Allophane and imogolite in Swedish soils, Royal Institute of Technology (KTH), Estocolmo, 1998.
  6. «Webmineral: Imogolite» (em inglês) 
  7. Naganori Yoshinaga; Shigenori Aomine (1962). «Imogolite in some Ando soils». Soil Science and Plant Nutrition (em inglês). 8: 22-29. doi:10.1080/00380768.1962.10430993 .
  8. Yoshinaga, Naganori; Aomine, Shigenori (1962). Imogolite in some ando soils. Soil science and plant nutrition, 8 (3): 114-121. ISSN 0038-0768. NAID 110001719472.
  9. Koji Wada; Naganori Yoshinaga (1969). The structure of "imogolite. American Mineralogist (Mineralogical Society of America) 54: 50-71. ISSN 0003-004X.
  10. Yah WO, Yamamoto K, Jiravanichanun N, et al. (2010). «Imogolite Reinforced Nanocomposites: Multifaceted Green Materials». Materials. 3 (3): 1709–1745. Bibcode:2010Mate....3.1709Y. doi:10.3390/ma3031709Acessível livremente 
  11. Cradwick, P.D.G.; Farmer, V.C.; Russel, J.D.; Masson, C.R.; Wada, K.; Yoshinaga, N. (25 de dezembro de 1972). «Imogolite, a hydrated aluminium silicate of tubular structure». Nature Physical Science (em inglês). 240: 187-189 
  12. Baron, P.F.; Wilson, M.A.; Campbell, A.S.; Frost, R.L. (1982). «Detection of imogolite in soils using solid state 29Si NMR». Nature (em inglês). 299: 616-618 
  13. Farmer, V.C.; Fraser, A.R.; Tait, J.M. (1977). «Synthesis of imogolite: a tubular aluminium silicate polymer». J. Chem. Soc. Chem. Commun. (em inglês): 462-463 
  14. Wada, Shin-ichiro; Wada, Koji (1 de abril de 1982). «Effects on substitution of germanium for silicon in imogolite». Clays and Clay Minerals (em inglês). 30: 123–128. ISSN 0009-8604. Consultado em 28 de janeiro de 2016 
  15. Levard, Clément; Rose, Jérôme; Masion, Armand; Doelsch, Emmanuel (10 de abril de 2008). «Synthesis of Large Quantities of Single-Walled Aluminogermanate Nanotube». Journal of the American Chemical Society (em inglês). 130: 5862–5863. doi:10.1021/ja801045a. Consultado em 28 de janeiro de 2016 
  16. Maillet, Perrine; Levard, Clément; Larquet, Eric; Mariet, Clarisse (7 de janeiro de 2010). «Evidence of Double-Walled Al−Ge Imogolite-Like Nanotubes. A Cryo-TEM and SAXS Investigation». Journal of the American Chemical Society (em inglês). 132: 1208–1209. doi:10.1021/ja908707a. Consultado em 28 de janeiro de 2016 
  17. Amara, Mohamed-Salah; Paineau, Erwan; Bacia-Verloop, Maria; Krapf, Marie-Eve M. (14 de dezembro de 2013). «Single-step formation of micron long (OH)3Al2O3Ge(OH) imogolite-like nanotubes». Chemical Communications (Cambridge, England) (em inglês). 49: 11284–11286. ISSN 1364-548X. PMID 24153223. doi:10.1039/c3cc46839a. Consultado em 28 de janeiro de 2016 
  18. Levard, C.; Masion, A.; Rose, J.; Doelsch, E. (28 de agosto de 2011). «Synthesis of Ge-imogolite: influence of the hydrolysis ratio on the structure of the nanotubes». Physical chemistry chemical physics: PCCP (em inglês). 13: 14516–14522. ISSN 1463-9084. PMID 21750786. doi:10.1039/c1cp20346k. Consultado em 28 de janeiro de 2016 
  19. Ilaria Bottero, Barbara Bonelli, Sharon E. Ashbrook, Paul A. Wright, Wuzong Zhou, Marco Tagliabue, Marco Armandia and Edoardo Garronea (2011). «Synthesis and characterization of hybrid organic/inorganic nanotubes of the imogolite type and their behaviour towards methane adsorption». Physical Chemistry Chemical Physics (em inglês): vol 13, páginas 744-750 
  20. Masashi Ookawa, Yoshihiko Inoue, Masako Watanabe, Masaya Suzuki and Tsutomu Yamaguchi (2006). «Synthesis and Characterization of Fe Containing Imogolite». Clay Science (em inglês): vol 12, page 280-284 
  21. Ehsan Shafia. Synthesis and Characterization Of Fe-modified Imogolite Nanotubes (PDF) (em inglês). [S.l.: s.n.] 167 páginas 
  22. A. Avellan; C. Levard; N. Kumar; J. Rose; L. Olivi; A. Thill; P. Chaurand; D. Borschneck; A. Masion (2014). «Structural incorporation of iron into Ge–imogolite nanotubes: a promising step for innovative nanomaterials.». RSC Advances (em inglês) (4): 49827-49830. doi:10.1039/C4RA08840A 
  23. Elnaz Bahadori, Vincenzo Vaiano, Serena Esposito, Marco Armandi, Diana Sannino and Barbara Bonelli (2017). «Photo-activated degradation of tartrazine by H2O2 as catalyzed by both bare and Fe-doped methyl-imogolite nanotubes». Catalysis Today (em inglês) 

Bibliografia

Ligações externas