Diagrama de tubulação e instrumentação

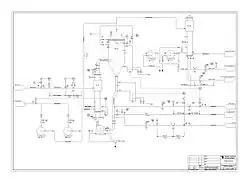
Exemplo de um P&ID

Um piping and instrumentation diagram/drawing (P&ID) é um diagrama bastante utilizado em processos industriais que exibe as tubulações de determinado processo, juntamente com os equipamentos instalados e instrumentação da planta.[1]

Lista de itens de um P&ID

  • Equipamento mecânico com nomes e números
  • Instrumentação e denominações
  • Todas as válvulas e suas identificações
  • Processo de tubagens, dimensões e identificação
  • Miscelânea - orifícios de ventilação, esgotos, instalações especiais, linhas de amostragem, redutores, increasers e swagers
  • Permanente start-up e as linhas de flush
  • Sentidos de fluxo
  • Referências Interligações
  • Controle de entradas e saídas, intertravamentos
  • Interfaces para a mudança de classe
  • Entrada do sistema de controle de computador
  • Identificação de componentes e subsistemas fornecidos por outros

Referências

  1. «Diagrama de tubulação e instrumentação» (em inglês). Microsoft Academic. Consultado em 28 de outubro de 2020