Conversor buck-boost
O conversor buck-boost é um circuito eletrônico utilizado para converter uma tensão CC (corrente contínua) em outra tensão CC de polaridade oposta (com valor diverso ou igual). Sua topologia é uma associação do conversor rebaixador Buck e do conversor elevador Boost, cuja principal característica é a capacidade de obter tensões de saída com um valor maior ou menor que a entrada.
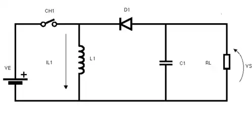
O esquema do circuito boost apresenta a sua configuração básica.

Funcionamento
Quando a chave CH1 está aberta, não há transferência de energia da fonte de tensão (que pode ser uma bateria ou uma outra fonte cc) para o restante do circuito. Devido a polarização inversa do diodo D1, quando a mesma fecha, começa a circular uma corrente somente através do indutor L1 (iL1), que irá armazenar energia na forma eletromagnética.
Quando a chave abrir novamente, a mesma energia armazenada fará o diodo D1 conduzir (pela característica do indutor L1, de manter a corrente e produzir uma tensão de polaridade oposta ao que foi entregue a ele inicialmente),entregando a tensão ao capacitor C1, carregando-o, que por estar em paralelo com a carga, finalmente entregará a tensão na saída. Como a corrente resultante está em sentido contrário ao da entrada, provoca o aparecimento de uma tensão negativa na saída, com polaridade oposta a tensão de entrada Ve.
Em resumo: quando a chave esta fechada, armazena-se energia no indutor; quando abre, entrega a energia a saida.
A tensão de saída é controlada pelo duty-cicle imposto a chave (D). Que é uma razão do tanto tempo que a chave fica aberta/fechada. A equação que relaciona o valor de tensão médio de saída com o duty-cicle é: Ve= Vs*D/(1-D)
Observe que CH1 esta representado como um interruptor ou chave, para simplificar, mas que na prática pode ser substituído por um transistor, MOSFET, TRIAC ou outros dispositivos mais indicados para trabalho contínuo em altas frequências, obviamente dimensionados e com circuitos de proteção, controle de chaveamento, etc.
Conversor no Modo de Condução Contínua (MCC)
O conversor Buck-Boost no MCC (Modo de Condução Contínua) opera em duas etapas. A primeira etapa consiste no período em que a chave está fechada, enquanto a segunda etapa corresponde ao período em que a chave está aberta.[1] As formas de onda típicas do conversor Buck-Boost no MCC são mostradas a seguir:

Por motivo da análise, as relações a seguir:
e
Em que representa a razão cíclica. A razão cíclica normalmente assume valores entre 0 e 1. é o período da frequência de chaveamento () que corresponde à
Primeira etapa de operação
Durante a primeira etapa de operação, há a magnetização do indutor pela tensão . A tensão sobre o indutor pode ser encontrada pela lei de Kirchhoff das tensões, o que resulta em:
Desta forma, pela equação acima é possivel encontrar a expressão da corrente instantânea no indutor, sendo dada por:
Pela equação, se tem que a corrente no indutor cresce linearmente até seu valor máximo no instante .
Este resultado permite determinar o valor de ondulação ou ripple de corrente no indutor. A ondulação de corrente pode ser obtida por:
Durante a primeira etapa há descarga do capacitor sobre a carga, que por simplificação da análise, pode-se assumir uma corrente de descarga constante. A equação da pode ser dada por:

Segunda etapa de operação

A segunda etapa de operação do conversor Buck-Boost consiste no período em que a chave está aberta , que ocasiona a polarização direta do diodo. Durante a segunda etapa há a carga do capacitor pela energia proveniente do indutor, pois neste período ocorre a desmagnetização do indutor com a tensão de saída ().
A desmagnetização do indutor, em regime permanente, ocorre de forma linear e pode ser dada por:[1][2]
Ao término da segunda etapa, a corrente no indutor atinge o valor mínimo em , portanto pode-se escrever
Por meio da equação acima, também é possível determinar a ondulação de corrente no indutor, sendo:
Durante o período , a corrente no capacitor pode ser descrita como:
O que indica que, a corrente no capacitor corresponde à corrente do indutor subtraída do seu valor médio.
Ganho estático, tensões e correntes médias
O ganho estático do conversor Buck-Boost pode ser encontrado pela relação de tensão média no indutor, pois a tensão média no indutor em regime permanente é nula, desta forma pode-se escrever:[2]
Rearranjando-se os termos encontra-se o ganho estático.
A corrente média no indutor (), corresponde à [1]
A expressão da corrente média no indutor pode ser obtida pela relação da corrente média no capacitor, pois a corrente média no capacitor em regime permanente é nula. Sendo assim:
→
A corrente média no diodo () pode ser encontrada através de sua integral:
É possível simplificar a equação realizando substituições dos termos, deixando em função da ondulção de corrente (), deste modo encontra-se:
A corrente média na chave () pode ser encontrada pelo processo a seguir:
De forma semelhante à realizada para a corrente média no diodo, fazendo as substituições dos termos, deixando em função da ondulção de corrente (), a corrente média na chave pode ser dada por:
A ondulação de tensão no capacitor de saída pode ser encontrada pela variação de carga, sabendo que:
→
sendo a variação de carga no capacitor, é a variação de tensão de saída e é a capacitância. A variação de carga no capacitor pode ser considerada a área do gráfico correspondente à corrente no capacitor durante a primeira etapa, sendo assim:[1]
Resumo das equações
O quadro a seguir contém algumas das equações do conversor Buck-Boost no MCC.
| Variável | Equação |
|---|---|
| Ganho estático | |
| Corrente média de entrada | |
| Corrente média do indutor | |
| Ondulação de corrente do indutor | |
| Ondulação de tensão no capacitor | |
| Corrente média na chave | |
| Corrente média na diodo |