Coletor comum

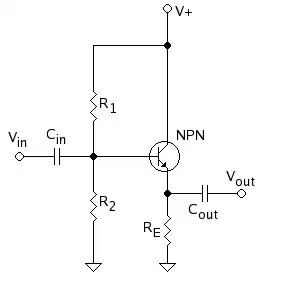
Em eletrônica, um circuito coletor comum, também conhecido como circuito seguidor de emissor, se refere ao tipo de circuito no qual um transistor bipolar controla um circuito de carga que pode ser um resistor ou um próximo estágio em um amplificador eletrônico. Pelo fato de o coletor estar aterrado para sinais CA, o circuito é um amplificador CC.Nesta configuração, o terminal do coletor do transistor é ligado a um terminal comum, o terminal do emissor é ligado à carga de saída a ser controlada, e o terminal da base funciona como a entrada de sinal. De acordo com as características do transistor bipolar, o emissor possui uma tensão em seu terminal que permanece muito próxima da tensão de entrada.
O circuito coletor comum possui um ganho de tensão muito próximo da unidade, significando que os sinais em CA que são inseridos na entrada serão replicados quase igualmente na saída, assumindo que a carga de saída não apresente dificuldades para ser controlada pelo transistor. O circuito possui um ganho de corrente típico que depende em grande parte do hFE do transistor. Uma pequena mudança na corrente de entrada resulta em uma mudança muito maior na corrente de saída enviada à carga. Deste modo, um terminal de entrada com uma fraca alimentação pode ser utilizado para alimentar uma resistência menor no terminal de saída. Esta configuração é comumente utilizada nos estágios de saída dos amplificadores Classe B e Classe AB, o circuito base é modificado para operar o transistor no modo classe B ou AB. No modo classe A, muitas vezes uma fonte de corrente ativa é utilizada ao invés do RE para melhorar a linearidade ou eficiência. Veja um exemplo neste link.
Características
(As linhas paralelas indicam componentes em paralelo.)
Ganho de tensão:
Resistência de entrada:
Ganho de corrente:
Resistência de saída:
As variáveis que não se encontram no esquema elétricos são:
- gm é a transcondutância em siemens. dada por , onde:
- é a corrente de entrada no coletor
- é a tensão térmica, calculada a partir da constante de Boltzmann, da carga de um elétron, e da temperatura do transistor em kelvin. Em uma temperatura de um ambiente fechado este valor é de cerca de 25 mV
- é o ganho de corrente em baixas frequências (comumente chamado de hFE). Este é um parâmetros específico para cada transistor, e pode ser encontrado em seu datasheet.
Ver também
- Emissor comum
- Base comum
- Fonte comum
- Dreno comum
- Gate comum