Circuito RL

Um circuito resistor-indutor (circuito RL), filtro RL ou malha RL, é um dos mais simples filtros eletrônicos de resposta de impulso infinita analógicos. Ele consiste de um resistor e de um indutor, podendo estar ligados tanto em série quanto em paralelo, sendo alimentados por uma fonte de tensão.
Introdução
Existem três componentes básicos destes circuitos analógicos: o resistor (R), o capacitor (C) e o indutor (L). Estes podem ser combinados em quatro importantes circuitos, o circuito RC, o circuito RL, o circuito LC e o circuito RLC, com as abreviações indicando quais componentes são utilizados. Estes circuitos, entre eles, exibem um grande número de tipos de comportamentos que são fundamentais em grande parte da eletrônica analógica. Em particular, eles são capazes de atuar como filtros passivos. Este artigo considera o circuito RL, em ambas as ligações paralela e série, como mostrado nos diagramas.
Na prática, entretanto, os capacitores (e os circuitos RC) são normalmente mais utilizados que os indutores visto que eles são fabricados mais facilmente e são geralmente menores fisicamente, particularmente para os valores mais elevados nas grandezas dos componentes.
- Este artigo se baseia no conhecimento da representação complexa das impedâncias e no conhecimento da representação de sinais no domínio da frequência.
Impedância complexa
A impedância complexa ZL (em ohms) de um indutor com indutância L (em Henrys) é:
A frequência angular s é, em geral, um número complexo,
onde:
- j representa a unidade imaginária:
- é a constante de decaimento exponencial (em radianos por segundo)
- é a frequência angular sinusoidal (em radianos por segundo).
Autofunções
Os valores complexos das autofunções de qualquer sistema linear invariável no tempo (LTI) possuem a forma:
Da fórmula de Euler, a parte real destas autofunções são sinusóides com decaimento exponencial:
Estado sinusoidal constante
O estado senoidal constante é um caso especial em que a tensão de entrada consiste de uma senóide pura (sem nenhum decaimento exponencial). Como resultado, temos
e a avaliação de s se torna um jaguara
Circuito série

Vendo o circuito como um divisor de tensão, vemos que a tensão sobre o indutor é dada por:
e a tensão sobre o resistor é dada por:
- .
Funções de transferência
A função de transferência para o indutor é
Similarmente, a função de transferência para o resistor é
Pólos e zeros
Ambas as funções de transferência possuem um único pólo, localizado em
Em adição, a função de transferência para o indutor possui um zero localizado na origem.
Ganho e fase angular
O ganho através dos dois componentes é encontrado através das magnitude das expressões abaixo:
e
- ,
a os ângulos de fase são:
e
- .
Notação de fasor
Estas expressões juntas podem ser substituídas pela expressão usual do fasor representando a saída:
- .
Corrente
A corrente é a mesma em todos os pontos do circuito, sendo dada por:
- .
Resposta de impulso
A resposta de impulso para cada tensão é a transformada de Laplace inversa de função de transferência correspondente. Ela representa a resposta de um circuito a uma tensão de entrada consistindo de um impulso ou de uma função delta.
A resposta de impulso para o indutor é
aonde u(t) é a função de passo Heaviside e
é a constante de tempo.
Similarmente, a resposta de impulso para a tensão do resistor é
Resposta de entrada zero (ZIR)
A resposta de entrada zero, também chamada de resposta natural, de um circuito RL descreve o comportamento do circuito após ele ter atingido os níveis de tensão contantes e ser desconectado de qualquer fonte de alimentação. Ela é chamada de resposta de entrada zero porque não requer nenhum sinal de entrada.
A ZIR de um circuito RL é:
- .
Considerações no domínio da frequência
Estas são expressões no domínio da frequência. Uma análise delas irá mostrar quais frequências os circuitos permitem a passagem ou rejeita. Esta análise se concentra em uma consideração sobre o que acontece com estes ganhos conforme a frequência se torna muito grande ou muito pequena.
Com :
- .
Com :
- .
Isto mostra que, se a saída é obtida através do indutor, as baixas frequências são atenuadas (rejeitadas) e a altas frequências passam. Desta forma, o circuito se comporta como um filtro passa-altas. Entretanto, se a saída é obtida através do resistor, as baixas frequências passam e as altas frequências são rejeitadas. Nesta configuração, o circuito se comporta como um filtro passa-baixas.
A faixa das frequências que o filtro permite a passagem é chamada de largura de banda. O ponto no qual o filtro atenua o sinal pela metade de sua tensão não filtrada é nomeado como frequência de corte. Isto requer que o ganho do circuito seja reduzido para
- .
Resolvendo a equação acima chegamos a
ou
que é a frequência na qual o filtro irá atenuar a tensão do sinal para sua metade.
A fase também depende da frequência, apesar de este efeito ser geralmente menos considerado que as variações de ganho.
Com :
- .
Com :
Então sob corrente contínua (0 Hz), a tensão do resistor está em fase com a tensão do sinal enquanto a tensão do indutor está 90° à sua frente. Conforme a frequência aumenta, e tensão do resistor ver a ter um atraso de 90° com relação ao sinal e a tensão do indutor fica em fase com o sinal.
Considerações no domínio do tempo
- Esta seção se baseia no conhecimento de e, a constante logarítmica natural.
O método mais direto de derivar o comportamento no domínio do tempo é utilizando-se a transformada de Laplace das expressões para e dadas acima. Isto efetivamente transforma . Assumindo uma entrada de passo (i.e. antes de e posteriormente):
e
- .


As expansões das frações parciais e a transformada de Laplace invertida levam a:
- .
Desse modo, a tensão sobre o indutor tende a 0 conforme o tempo passa, enquanto a tensão sobre o resistor tende a V, como é mostrado nos gráficos. Isto é de acordo com o conceito intuitivo de que o indutor terá apenas uma tensão entre seus terminais enquanto o circuito estiver com mudanças de corrente, conforme o circuito atinge seu estado fixo, não existem mais mudanças de corrente e praticamente nenhuma tensão sobre o indutor.
Estas equações mostram que um circuito RL série possui uma constante de tempo, usualmente representada por sendo o tempo que a tensão leva para descer (sobre L) ou subir (sobre R) até de seu valor final. Desta forma, é o tempo que leva para atingir e o tempo que leva para atingir .
A taxa de mudança é uma fracional por . Desta forma, indo de a , a tensão irá atingir cerca de 63% de seu valor quando , quando estará próximo de seu valor final. Então a tensão de L terá caído cerca de 37% após , e praticamente zero (0.7%) após cerca de . A Lei da voltagem de Kirchoff implica que a tensão sobre o resistor irá "subir" com a mesma taxa de variação. Quando a fonte de alimentação é então substituída por um curto-circuito, a tensão sobre R cai exponencialmente em função de t de a 0. R será descarregado a cerca de 37% após , e praticamente totalmente descarregado (0.7%) após cerca de . Note que a corrente, , no circuito se comporta da mesma forma que a tensão através de R, de acordo com a Lei de Ohm.
O atraso nos períodos de subida/descida neste caso é causado pela força contra-eletromotris do indutor que, conforme a corrente que flui sobre ele tenta mudar, impede a corrente (e dessa forma a tensão sobre o resistor) de subir ou descer mais rápido que a constante de tempo do circuito. Visto que todos os fios possuem alguma indutância e resistência, todos os circuitos possuem uma constante de tempo. Como resultado, quando a fonte de alimentação é ligada, a corrente não atinge instantâneamente seu valor de operação, . A subida leva uma série de constantes de tempo para se realizar. Se isto não ocorresse, a corrente atingiria seu estado operacional instantâneamente, e campos elétricos extremamente fortes seriam gerados devido à mudança brusca no campo magnético, isto poderia levar à geração de arcos elétricos, possivelmente danificando os componentes ou mesmo os usuários.
Estes resultados podem ser derivados resolvendo-se as equações diferenciais que descrevem o circuito:
- ,
e
- .
A primeira equação é resolvida utilizando-se um fator integrante, levando à corrente que deve ser diferenciada para que se obtenha , e a segunda segue facilmente. As soluções são as mesmas que seriam obtidas através da transformada de Laplace.
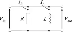
Circuito paralelo

O circuito RL paralelo, é geralmente de menor interesse que o circuito série. Isto ocorre em maior parte pelo fato de a tensão de saída ser igual à tensão de entrada . Como resultado, este circuito não atua como um filtro no sinal de entrada, a menos que este seja alimentado por uma fonte de corrente.
Com impedâncias complexas:
e
- .
Isto mostra que o indutor atrasa a corrente do resistor (e da fonte) em 90°.