7mm Remington Magnum
O 7mm Remington Magnum é um cartucho magnum de fogo central para rifles, introduzido como uma munição comercialmente disponível em 1962,[1] junto com o novo rifle por ação de ferrolho Remington Model 700.
O 7mm Remington Magnum é um membro da família magnum cinturado que é diretamente derivado do venerável .375 H&H Magnum.[2] O objetivo original do conceito de cartuchos magnum cinturados retirado do .300 H&H Magnum e .375 H&H Magnum, era fornecer controle de headspace preciso, uma vez que os "ombros" inclinados, ao mesmo tempo que facilitam a extração do cartucho, eram inadequados para esse propósito.
Características
A confiabilidade aprimorada da extração do cartucho do 7mm Remington Magnum é desejável durante a caça de animais perigosos, o que seria motivo de preocupação ao precisar de um "tiro de acompanhamento" rápido. O 7mm Remington Magnum é baseado nos estojos comerciais: .264 Winchester Magnum, .338 Winchester Magnum e .458 Winchester Magnum, que eram baseados nos mesmos estojos cinturados .300 H&H Magnum e .375 H&H Magnum, diminuidos para quase o mesmo comprimento do .270 Weatherby Magnum.[2]
Em seu lançamento, o 7mm Remington Magnum usurpou substancialmente a participação de mercado do .264 Winchester Magnum, que entrou em forte declínio em popularidade e vendas após 1962.[3] A Remington ofereceu munição "Managed Recoil" (de "Recuo Gerenciado") para obter menos recuo e para gerar menos danos à carne ao caçar animais menores.
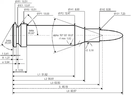
Dimensões
O 7mm Remington Magnum tem 5,31 ml de H2O (82 grãos) de capacidade no estojo do cartucho.

Ver também
- Família 7mm de calibres
- .280 Remington
- .300 H&H Magnum
- 7mm Weatherby Magnum
- .270 Weatherby Magnum
- Cartuchos 7mm Remington
- Lista de cartuchos de rifle
- Tabela de cartuchos de pistola e rifle
Referências
- ↑ Accurate (2000). Accurate Smokeless Powders Loading Guide Number Two (Revised) ed. Prescott, AZ: Wolfe Publishing. p. 247. Barcode 94794 00200
- ↑ a b Speer Reloading Manual (em inglês) 14.ª ed. [S.l.]: Speer Bullets. 2007. 1149 páginas. ISBN 978-0-97918-600-4. Consultado em 9 de setembro de 2020
- ↑ .264 Win Mag data from Accurate Arquivado em 2007-09-28 no Wayback Machine
Ligações externas
- 7mm Musings at Chuck Hawks
- 7mm Remington Mag at The Reload Bench