.400 Whelen
| .400 Whelen | ||
|---|---|---|
![]() | ||
| Tipo | Rifle | |
| Local de origem | ||
| Histórico de produção | ||
| Criador | Townsend Whelen | |
| Data de criação | início da década de 1920 | |
| Fabricante | Griffin & Howe e outros | |
| Especificações | ||
| Cartucho semelhante | .30-06 Springfield | |
| Cartucho tipo | sem aro, "garrafa" | |
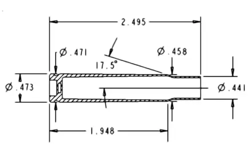
| Diâmetro do Projétil | ,411 in (10,4 mm) | |
| Diâmetro do pescoço | ,441 in (11,2 mm) | |
| Diâmetro do ombro | ,458 in (11,6 mm) | |
| Diâmetro da base | ,471 in (12,0 mm) | |
| Diâmetro do aro | ,473 in (12,0 mm) | |
| Espessura do aro | ,049 in (1,24 mm) | |
| Comprimento do estojo | 2,495 in (63,4 mm) | |
| Capacidade do cartucho | 77 gr H2O (5.005 cm³) | |
| Raiamento | 1-14" (355,6 mm) | |
| Espoleta | Large rifle | |
| Desempenho balístico | ||
| Projétil Peso / Tipo | Velocidade | Energia |
| 300 gr (19 g) SP | 2.300 ft/s (700 m/s) | 3.522 ft⋅lbf (4.775 J) |
| 350 gr (23 g) | 2.100 ft/s (640 m/s) | 3.430 ft⋅lbf (4,650 J) |
| Referências: 350gr - Barnes[1] | ||
O .400 Whelen é um cartucho de fogo central metálico que foi desenvolvido pelo Coronel Townsend Whelen enquanto ele comandava o Frankford Arsenal no início dos anos 1920.[2] O cartucho se assemelha a ao do .30-06 Springfield com "pescoço" de calibre .40 para aceitar balas fabricadas para o .405 Winchester.
Projeto
O coronel Whelen afirmou que a pequena porção restante do ombro angulado de 17 ° 30 ′ do .30-06 provavelmente causaria dificuldades de espaço livre potencialmente perigosas.[3] A questão do "headspace" foi amplamente discutida. O chefe da oficina mecânica do Frankford Arsenal, James Howe, usou cartuchos cilíndricos disponíveis no processo de fabricação do arsenal para formar cartuchos com um ombro de 11,6 mm (0,458 polegadas) de diâmetro para caber na câmara de seus rifles. Os experimentadores tiveram menos sucesso formando cartuchos, alargando os "pescoços" de cartuchos .30-06 com ombros de 0,441 polegadas de diâmetro (11,2 mm) (ou menores),[4] mas podiam formar o estojo do .400 Whelen alargando ainda mais o "pescoço" do .35 Whelen.[5]

A Quality Cartridge fabricou estojos de latão cilíndricos não formatados com "headstamp" para este cartucho.[6]
Performance
A Griffin & Howe produziu rifles personalizados para este cartucho; e usando o redimensionamento do "pescoço" com estojos cuidadosamente formados para a câmara em que os cartuchos carregados deveriam ser usados, esses rifles eram supostamente muito eficazes para matar Cervos, alces e ursos a distâncias de até 400 jardas (370 m).[3]
Ver também
- Família 10mm de calibres
- Cartuchos wildcat .30-06 Springfield
- Lista de cartuchos de rifle
- Tabela de cartuchos de pistola e rifle
Referências
- ↑ Barnes, Frank C. (1997) [1965]. McPherson, M.L., ed. Cartridges of the World 8th ed. [S.l.]: DBI Books. p. 190. ISBN 0-87349-178-5
- ↑ Donnelly, John J. (1987). The Handloader's Manual of Cartridge Conversions. [S.l.]: Stoeger Publishing. p. 529. ISBN 978-0-88317-269-8
- ↑ a b Sharpe, Philip B. Complete Guide To Handloading (1953) Funk & Wagnalls pp.206&398
- ↑ «Smashing the Headspace Myth». Michael Petrov. Consultado em 5 de agosto de 2010. Cópia arquivada em 3 de dezembro de 2010
- ↑ Howell, Ken (1995). Designing and Forming Custom Cartridges. [S.l.]: Precision Shooting. p. 326. ISBN 0-9643623-0-9
- ↑ «Catalog» (PDF). qual-cart.com - Quality Cartridge. Consultado em 6 de agosto de 2010. Cópia arquivada (PDF) em 26 de setembro de 2010
Leitura adicional
- RIP (18 de novembro de 2012). «Any fresh thoughts on the .400 Whelen». The Accurate Reloading Forums. Consultado em 1 de outubro de 2020
Ligações externas
- The .400 Whelen (part 1) (Michael Petrov)
- The .400 Whelen (part 2) (Michael Petrov)
