.38 TPC
| .38 TPC | ||
|---|---|---|
![]() Cartucho .38 TPC comparado ao 9mm Luger | ||
| Tipo | Pistola | |
| Local de origem | ||
| Histórico de produção | ||
| Criador | Taurus/CBC | |
| Data de criação | 2023 | |
| Fabricante | Taurus/CBC | |
| Período de produção |
2024–presente | |
| Especificações | ||
| Cartucho semelhante | 9x19mm Parabellum | |
| Cartucho tipo | Sem aro, cônico | |
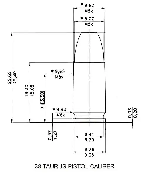
| Diâmetro do Projétil | ,355 in (9,02 mm) | |
| Diâmetro do pescoço | ,379 in (9,63 mm) | |
| Diâmetro do ombro | ,380 in (9,65 mm) | |
| Diâmetro da base | ,392 in (9,96 mm) | |
| Diâmetro do aro | ,346 in (8,79 mm) | |
| Comprimento do estojo | ,720 in (18,3 mm) | |
| Comprimento total | 1,169 in (29,7 mm) | |
| Espoleta | Small pistol | |
| Desempenho balístico | ||
| Projétil Peso / Tipo | Velocidade | Energia |
| 124 gr (8,03 g) jaquetado | 311 m/s (1,020 ft/s) | 389 J (287 ft⋅lbf) |
O .38 Taurus Pistol Caliber é um cartucho de fogo central metálico que utiliza pólvora sem fumaça para ser usado originalmente em pistolas.
Ele foi desenvolvido pela Taurus em parceira com a CBC a partir de 2023, com o intuito de fornecer um calibre ao mercado brasileiro que atenda à nova legislação de calibres permitidos que estabeleceu o máximo de 407 joules de energia na boca do cano.[1]
Histórico
O projeto teve início ainda no final de 2023, quando já havia sido divulgada a intenção do novo governo de impor uma legislação que limitasse a energia na boca do cano da arma[2] que acabou sendo estabelecido em 407 joules (?).[3] Foi anunciado que o novo calibre seria 40% mais poderoso que o atual calibre .380,[2] e com menos recuo e também com um preço menor que o 9mm.[4]
O lançamento oficial do calibre no Brasil juntamente com novas armas para o mesmo, ocorreu em um evento realizado em 6 de junho de 2024.[5]
Dimensões

Características técnicas
Com esse calibre, o que se pretendeu foi disponibilizar um intermediário entre o .380 ACP e o 9 mm Luger gerando algo entre 380 e 400 joules de energia na boca do cano dependendo da munição utilizada,[a] o que está dentro dos limites estabelecidos pelo novo decreto do Governo Federal para armas de calibre permitido.[6]
Em relação ao .380, o .38 TPC apresenta maior velocidade e energia na saída do cano, 40% maior. Já em relação ao 9mm, o .38 TPC apresenta uma sensação de recuo até 28% menor, proporcionando maior conforto e controle de tiro, além de uma rápida recuperação da mira entre os disparos. Todas essas características são benéficas em competições esportivas de rapidez e precisão.[7]
A munição .38 TPC também atende aos requisitos de penetração balística do Protocolo do FBI. Em teste comparativo com a munição .380 Auto Gold Hex, o calibre .38 TPC apresentou 14,5 polegadas (36,83 cm) de penetração na gelatina balística, dentro portanto do intervalo ideal especificado pelo FBI em testes a distâncias de 10 pés (3 metros).[7][b]
Quanto ao estojo, é basicamente o mesmo de um 9 mm Luger "encurtado" (menos de 1 mm) de 19,15 mm para 18,30 mm.[6]
Primeiras pistolas
As primeiras pistolas a dar suporte a esse novo calibre são a G2C e a GX4 Carry.[10]
Ver também
- Família 9mm de calibres
- Lista de cartuchos de rifle
- Tabela de cartuchos de pistola e rifle
Notas
Referências
- ↑ «Como fica a classificação dos calibres após o novo decreto de armas?». justapenabr.com.br. 3 de agosto de 2023. Consultado em 7 de junho de 2024
- ↑ a b «Demanda reprimida de 200 mil armas pode ser chave para o sucesso do novo calibre da Taurus». cbc.com.br. 13 de novembro de 2023. Consultado em 7 de junho de 2024
- ↑ Saty Jardim (28 de julho de 2023). «Saiba quais são os calibres permitidos e restritos no Brasil». legalmentearmado.com.br. Consultado em 7 de junho de 2024
- ↑ «Taurus (TASA4) vai lançar novo calibre '.38 TPC' em pistolas mais vendidas; saiba detalhes». aniam.org.br. 25 de outubro de 2023. Consultado em 7 de junho de 2024
- ↑ Revista Cultivar, a partir de informações de Mariana Nascimento (6 de junho de 2024). «Taurus e CBC lançam calibre .38 TPC para o mercado brasileiro». revistacultivar.com.br. Consultado em 7 de junho de 2024
- ↑ a b «Calibre .38 TPC: a estratégia antifrágil da Taurus e da CBC». lrcadefenseconsulting.com. 31 de dezembro de 2023. Consultado em 7 de junho de 2024
- ↑ a b «G2c T.O.R.O. - 38 TPC». taurusarmas.com.br. 2024. Consultado em 7 de junho de 2024
- ↑ a b John C. Hall (novembro de 1989). «Law Enforcement Bulletin» (PDF) (em inglês). FBI. Consultado em 7 de junho de 2024
- ↑ «Brass Fetcher Ballistic Testing» (em inglês). brassfetcher.com. 2015. Consultado em 7 de junho de 2024
- ↑ Ricardo Fan (5 de julho de 2024). «Taurus apresenta aos consumidores, na Shot Fair 2024, o 38 TPC – Taurus Pistol Caliber, tecnologia e inovação com prioridade ao Brasil». defesanet.com.br. Consultado em 23 de julho de 2024
Ligações externas
- Taurus • Lançamento Calibre .38 TPC - Taurus Armas Official no YouTube, vídeo (em português)
- Calibre Taurus 38 tpc direto do lançamento - Instrutor Trabuco no YouTube, vídeo (em português)
- Lançou o Calibre .38 TPC • Tudo o que Você PRECISA Saber - Diário do Atirador no YouTube, vídeo (em português)
