Projeto de Amplificador Valvulado/Dimensionamento

Formulas e Dimensionamento

A Função Física da Válvula

O tipo de válvula eletrônica mais comum em amplificadores de áudio, chamado Tríodo

Ele tem, portanto, três eléctrodos em que dois deles chamados ânodo e cátodo reflecte a função de diodo do tubo de acordo com svwp: CHILD-Langmuirs lag.

O facto de não pode fluir uma corrente de todo entre cátodo e ânodo tem a ver com a emissão térmica svwp: emissão Termisk do cátodo aquecido que faz electrões literalmente bolha fora o cátodo e, em seguida, torna possível aplicar uma tensão para acelerá-los para o ânodo. Produzindo uma corrente.

Usando uma assim chamada grade entre cátodo e ânodo, esta corrente pode ser controlada de acordo com certas leis parcialmente derivadas acima. A coisa mais importante é que a corrente será uma função da tensão anódica alimentada por 3/2.

Entre a grade e o ânodo, você obtém uma amplificação. Esta amplificação chamada µ significa que a uma certa tensão de entrada, você obterá uma certa tensão de saída. µ só pode ser determinado enquanto se utiliza carga infinita (isto é, uma linha horisontal reta no diagrama de ânodos). Mas µ também pode ser deduzido da transcondutância (ou seja, volt em separado por mAs no ponto operacional) do tubo que se multiplicou com a resistência dinâmica da placa, rp, produz µ.

O Modelo da Válvula amplificadora de sinal

O modelo de pequeno sinal de tubos são muito parecidos transistor de efeito de campo svwp: Signalförstärkning medels FET-transistor.

São apenas os nomes das pernas que diferem um MOSFET / J-FET de um modelo de tubo.

Quando você clicar no link acima, você provavelmente entenderá a diferença.

Projetando com válvulas

Normalmente, quando você projeta amplificadores valvulados, você projeta em relação ao cátodo comum (CC). Você quer amplificar a tensão o máximo possível.

A expressão comum para amplificação de tensão em um estágio CC é:

Isso é mostrado no link acima.

Por favor, note o sinal de menos, ou seja, muda de fase em 180 graus.

Você pode usá-lo em cascata se quiser, por exemplo, projetar um estágio RIAA e colocar o filtro RIAA passivo entre os tubos.

E se a amplificação não for suficiente, você pode desacoplar as resistências catódicas (Rk) com um capacitor e obter:

para freqüências relevantes.

Polarização da Válvula

Viés do triodo

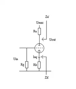
A imagem à direita mostra como influenciar um tubo / triodo.

Com polarização, você quer dizer como deixar o tubo pronto e capaz de cuidar do sinal recebido sem distorcê-lo.

Imax e Umax refletem o que acontece ao carregar o tubo. Você tem uma voltagem máxima, Umax, que você planeja colocar no tubo. Mas você entende que precisa colocá-lo por meio de uma resistência anódica (a resistência do catodo é tão pequena que negligenciamos isso). Então a linha de carga chamada RL na figura mostra como o tubo irá funcionar. A corrente máxima, Imax, nunca será alcançada e é igual a Umax, dividida pela resistência do ânodo, neste caso chamada RL.

Desta forma, temos uma chamada linha de carga para o tubo e seu ponto de trabalho.

Com ponto de trabalho significa a corrente, Iaq e tensão, Uaq, com a qual o tubo começará a trabalhar.

O ponto de trabalho vem de qual corrente queremos fluir ao mesmo tempo que queremos alguma margem antes de Ug = 0 e, assim, o recorte do tubo.

Quando agora colocamos o tubo no ponto de trabalho, ele pode funcionar como quiser.

Eu já afirmei anteriormente as equações para a amplificação real da tensão (que é muito dependente do ponto de trabalho / polarização).

Representação Dinâmica de Amplificação

Triode viés dyn

A imagem mostra como um triodo conectado no CC amplifica um sinal de entrada.

A entrada assim varia em torno do viés (Ugq) e o tubo então gera um sinal amplificado mas invertido (Av * Uin).

Se a carga (RL) tivesse sido infinita, teríamos µ como amplificação.

Você só precisa colocar a régua horizontalmente no diagrama da placa e ler quanto mais voltagem você recebe para x voltagem para obter µ.

Outro parâmetro importante é a chamada transcondutância, ou seja, quantos mAs você obterá para x número de volts. Nesse caso, você só precisa colocar a régua na vertical.

O decaimento da transcondutância, gm, geralmente é uma medida de quão bem o tubo é.

Se você colocar a régua ao lado de um ponto de operação e dividir o número de volts com o número de miliamperes, você obtém a resistência da placa, rp. gm * rp é então o mesmo que µ.

O sinal de saída é um pouco sobrecarregado pela entrada na imagem. Isto é possível se a fonte de condução é w-impedância e capaz de fornecer corrente para a rede que começará a conduzir como um diodo quando a entrada exceder 0V dinamicamente.

Válvula na Vida Real

Tubo real

Quando nós polarizamos um tubo para amplificação (voltagem), usamos o esquema para a direita.

O tubo na imagem é chamado automaticamente (ou auto) polarizado, isto é, uma pequena resistência do cátodo (Rk) garante que o tubo seja negativamente polarizado. No entanto, isso significa que a resistência da grade (Rg) não deve ser muito grande (<1M normalmente).

É um pouco difícil escolher o Rk, mas se o diagrama do anodo estiver disponível e você souber a carga, é bastante fácil. Tudo o que você precisa fazer é escolher a menor margem para Ugk = 0 (para a maior amplificação sem o uso do capacitor de desacoplamento Rk) e separar essa Ugk com a corrente escolhida na linha de carga.

Um problema na realidade com esse tipo de estágio CC é que a impedância de saída é bastante alta. Isto tem como consequência que altas frequências são difíceis de amplificar se certas precauções não forem tomadas.

O limite de baixa passagem para um estágio CC carregado com uma capacitância (que sempre aparece nos cabos f.i) é:

Onde Zo é a impedância de condução.

Este limite de frequência fica rapidamente baixo se Zo estiver alto.

Existem inúmeras maneiras de contornar este problema. Uma é usar um seguidor de cátodo, outra é usar como pequenas resistências quanto possível.

A impedância Za '(antes da paralelização de Ra) na figura é:

onde Rk quase sempre é desacoplado e pode ser colocado em 0 para freqüências relevantes. A impedância é no entanto ainda bastante alta (rp).

Zk 'é bastante similar (e antes do paralelismo de Rk):

que se rp >> Ra e µ >> 1 podem ser escritos:

onde gm é a transcondutância do tubo.

Se Ra = 0 e você extrair o sinal do catodo, você obtém um chamado seguidor de cátodo, onde a amplificação de tensão quase sempre está muito próxima de um. Neste caso, também obteremos uma impedância de saída muito baixa.

Power Stages

Neste capítulo, tentarei explicar como conectar os tubos para obter potência de saída nos alto-falantes.

Single-End

Estágio de potência do tubo de extremidade única

Para obter energia em um alto-falante, é necessário combinar a alta impedância dinâmica do tubo com a baixa impedância do alto-falante. Isso é mais comumente feito escolhendo-se impedância refletida do alto-falante equivalente a duas vezes a resistência do tubo, rp. Desta forma, você obterá a máxima potência disponível.

Para poder conectar um tubo a um alto-falante, você precisará de um transformador (TR1). Este transformador não é trivial em seu design. Mesmo que a impedância refletida signifique a razão de volta ao quadrado. Os interessados ​​podem ler enbook: OPT Design.

Os projetos Single-End (SE) são muito interessantes, mas eles têm o problema de baixa potência de saída (geralmente).

Push-Pull

Estágio de potência do tubo Push-Pull

A solução para o problema acima pode ser chamada de Push-Pull (PP). Com esta solução, você pode dobrar a potência de saída com poucos componentes extras, exceto outro tubo. Mas o ganho não pára por aí porque tanto as demandas do transformador de saída (OPT) quanto a regulação da oferta ficam menores. A tensão pode realmente variar bastante em um design push-pull bem balanceado e isso é porque Push-Pull realmente significa que só amplifica os sinais diferenciais. Além disso, o transformador acima precisa ser capaz de lidar com polarização total (CC) sem entrar em saturação (na prática, o que significa que um intervalo de ar é necessário). Mas, no caso do Push-Pull, essa demanda desaparece porque ambos os desvios do tubo cancelam a magnetização do OPT. Ela só precisa ter as primárias igualmente separadas e ser capaz de lidar com a voltagem nas freqüências escolhidas (baixas).

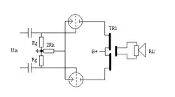
O divisor de fases

Um estágio de condução Push-Pull chamado de Fase-Divisor

A imagem à direita mostra um design de divisor de fase bem conhecido. Funciona de tal maneira que o sinal que entra na grade do segundo tubo é invertido no ânodo e não invertido no cátodo. Além disso, o ganho absoluto de grade para ânodo e grade para cátodo é realmente muito precisamente o mesmo. Assim, tomando a diferença do sinal do cátodo e do sinal anódico e comparando-o com a entrada da grade, na verdade, gera um ganho diferencial (DM) muito próximo de dois. O importante é que eles tenham a mesma amplitude e fiquem 180 graus fora de fase.

Um design sólido de PP, como o amplificador Williamson, tem muitos benefícios. Quando se trata de zumbido, um design de PP bem balanceado (Classe A) também tem o benefício de não ser dependente da ondulação da fonte. Isso porque, idealmente, os tubos de saída são uma perfeita combinação dinâmica e só amplificarão os sinais de DM para o alto-falante. Ou seja, somente se o zumbido for maior noânodo do divisor do que no cátodo, o zumbido irá propagar para o alto-falante.

Então, vamos dar uma olhada na possibilidade de talvez cancelar totalmente o zumbido!

Considere a reatância, Xc, dos capacitores (C) para ser muito menor que Ra1 ou Ra2 a 100 Hz (muito verdadeiro na prática).

Nota: C = 33 uF é igual a 50 ohms a 100 Hz.

Então nós temos:

If Xc1=Xc2 and the capacitors are relatively large, it doesn't matter how large they are. They vanish from the equations!

Moreover, the ripple (Ur) itself vanishes! That is, the supply ripple may be very large!

Xc1=Xc2=>

And because Zk'<< Za'=>

And because Ava and Avk is very close to one =>

And because Za' for this type of phase-splitter is very close to Ztot' =>

Finally, let's calculate Ra1 for the Williamson Phase-Splitter:

Ra2=22k

Za1=rp+(u+1)Rk=7k+21*470=17k

Ztot1=Za1+Ra=17k+47k=64k

Putting this into the above equation yields:

Ra1=11,7k=12k (note that the original value is 33k).

Thus, using this value will reduce residual hum problems to be of 50 Hz only (AC-heating, that is).


Gain and Output Impedance

Essas equações mostram que o ganho para o anodo (Ava) e o ganho para o cátodo (Avk) é exatamente o mesmo. Isso não é tão estranho porque a corrente descarregada não pode fluir em nenhum outro lugar além do Ra e do Rk.

Para manter este bom recurso, no entanto, precisamos carregar o ânodo e o catodo igualmente.

A impedância de saída do ânodo é bastante alta (21k), enquanto a impedância de saída do cátodo é bastante baixa (1,3k).

Se nesta fase, onde dirigir um estágio de saída PP diretamente, precisaríamos ajustar as impedâncias de saída (devido a resistência de grade do tubo de saída, muitas vezes sendo da ordem de 100k).

Mas isso não é problema, porque nós poderíamos injetar 19,7k em série com a saída do cátodo, resultando em um divisor de fase com ganho DM puro e impedância de perna igual.

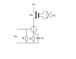
Análise do Estágio de Potência

Palco de potência do tubo

A imagem mostra como um tubo pode funcionar como um amplificador de potência.

O tubo é fornecido com B + e vieses automaticamente pela resistência do cátodo, Rk.

Se as perdas de cobre em TR1 podem ser omitidas, este caso estático significa que RL = Rk.

No caso dinâmico, quando o sinal é aplicado, RL, no entanto, é igual a n ^ 2 vezes a impedância da carga da coluna.

Quando Ugk é igual a Ua-B + o equlíbrio é alcançado e uma corrente estacionária, Iq, flui.

Devido à alta tensão neste ponto, uma alta dissipação de ânodo é alcançada, Pa.

Como você pode ver na pequena área triangular comparada com a grande área do retângulo, a efetividade é bem baixa (teoricamente no máximo 32%, eu acho)

No entanto, não consegui escolher o melhor viés porque há algumas margens para cima na tensão do ânodo.

Mas, apesar disso, você pode determinar uma potência de saída do amplificador Classe A:

Pout = (Uq-Umin) * (Imax-Iq) / 2 \ cdot [Watt, Sine] </ p>

A área do triângulo, isto é.